环境光传感器是一种通过感知周围光照强度,实时输出电信号的一种传感器。环境光传感器在消费类电子、汽车电子和工业控制等领域均有使用,如智能手机、平板电脑的顶部,都会配置环境光传感器,通过环境光传感器感应光照强度,实现屏幕亮度实时控制,起到降低设备功耗、延长设备使用寿命、保护眼睛的作用。

环境光传感器发展趋势
随着环境光传感器在消费类电子领域的使用逐渐增多,消费类电子又朝着小型化、便携式发展,因此环境光传感器也要朝着高度集成化(微型化)、低功耗、智能化等方向发展。
高度集成化(微型化)可减少外围电路的布局,降低元器件的用量,在一定程度上可实现传感器的多功能性,降低了BOM成本,缩小了传感器体积。
低功耗,对于消费类电子来说,使用低功耗电子元件是一直以来的追求,能够有效延长设备的续航时间,还做到了节能环保。
智能化,目前很多芯片、传感器都在内部集成了AI算法、DSP处理器等,进一步提高数据处理能力,有助于性能的提升。
环境光传感器的应用非常广,目前还不断向智能家电、物联网等领域不断渗透市场需求也呈快速增长的趋势。随着应用领域的不断拓展,环境光传感器的发展前景十分明朗。
目前,AMS、TI、Vishay、ROHM等国外半导体领域的头部企业,均有对环境光传感器的开发并得到终端厂商的应用。
AMS TMD2712环境光传感器和接近传感器集成模块
AMS在光学领域造诣深厚,具有先进的光学解决方案,不管是技术还是生产能力,AMS在传感器领域的优势十分明显。如今,AMS的传感器业务在消费类电子领域占据着领先地位,致力于研发集成度更高、尺寸更小的传感器来抢占市场份额,巩固领先地位。

TMD2712模块是一款三合一高度集成的传感器,内部集成了环境光传感器、接近光传感器和红外VCSEL发射器,并且在多合一的高度集成下体积仅为1mm*2mm*0.5mm,可应用于对传感器体积要求较为严格的电子产品中,这款传感器的面世,刷新了外形尺寸的新纪录。
TMD2712的接近检测,是通过红外VCSEL发射器发射红外线,再由光电二极管对反射回来的光检测实现的。TMD2712为环境光传感器提供了两个环境光感应通道,通过这两个通道可以精确地测量出周围环境光,并计算出光照辐射强度输出电信号。
TMD2712传感器供电电压为1.8V,待机功耗为0.7µA,接近探测距离为15cm,可承受-30℃至85℃工作耐温区间,采用了6 Pin的OLGA封装。
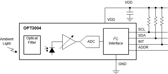
TI OPT3004 高灵敏度环境光传感器
据TI官方显示,TI的环境光传感器可以做到优化成本、模拟人眼响应、体积轻薄等特点,应用范围涵盖了消费类电子、家用电器、汽车电子等领域。
OPT3004是一款用于测量可见光的环境光传感器,能够对红外光进行阻隔,阻隔率为99%,同时具有灵敏的光谱响应。该传感器的光谱响应曲线能与人眼响应曲线相似,并且对可见光的测量精度不受光照强度影响。

OPT3004具有自适应调节量程范围功能,量程范围覆盖0.01~83k lux,能够在23位有效动态范围内完成光照强度测量工作。OPT3004环境光传感器的测量工作方式分为两种,一种是连续工作,另外一种是间断工作。为降低系统功耗,在传感器进行报告时,处理器可以处于休眠状态。OPT3004可接入1.6V至3.6V的宽压电网,工作温度范围在-40℃至 +85℃之间,采用了2mm*2mm *0.65mm的USON小尺寸封装。这款环境光传感器可应用于显示背光控制、照明控制系统等。
Vishay高灵敏度的环境光传感器
Vishay在环境光传感器方面,为了提高传感器对光的感应灵敏度,通常Vishay会将独有的Filtron技术用于光传感器的研发中,尽可能的让传感器的光谱响应达与人眼相匹配,提高产品性能。

VEML6031X00是Vishay的一款高精度、高灵敏度的环境光传感器,该传感器可应用于消费类电子与汽车电子中,并且通过了汽车AECQ100标准认证,VEML6031X00的光谱灵敏度与人眼水平接近,测量覆盖范围最大达0.01~228k lux,与TI的OPT3004相比提升了不少。该传感器采用I2C作为通信总线接口,通过配置I2C接口,可实现传感器连续工作或间断工作。
VEML6031X00的精度为0.0034lx,与能见度较低的透镜配合使用可以提高对光源检测的精度,同时,该传感器内置的红外通道可以进行光照强度检测和灵敏度调节,并完成误差补偿。VEML6031X00的电压输入范围在2.5V~3.6V之间,可适应-40℃至110摄氏度的宽温工作环境,满足汽车使用的要求。该传感器在待机状态下功耗为0.5μA,采用了2.67 mmx*2.45mm *0.6mm的小封装,可应用于汽车的自适应大灯,照明灯光亮度调节、显示器亮度调节等应用中。
总结
随着各类电子产品的功能增多,电子设备内部的空间逐渐拥挤,环境光传感器朝着小型化、高度集成化、低功耗、高灵敏度发展已是必然趋势。如今,传感器的光谱响应曲线已近似人眼,这也意味着传感器检测到的亮度与人眼相似,在实际应用中,能够调节出适应人眼的亮度,在一定程度上提升了用户的体验。