半导体激光器具有转换效率高,体积小,重量轻,可靠性高,价格低廉,便于内调制等优点,其应用潜力大。由于激光器的这些优良特性,因而越来越广泛地被用于国防、科研、医疗、光通信、光纤通讯、集成光学、激光印刷、激光束扫描、光盘存贮技术等领域[1-2]。因此研制性能可靠、经济耐用的半导体激光系统具有很高的实用价值。
由半导体激光管(LD)电压和电流特性可知:其抗上电冲击的能力差,工作时微小电压变化会导致激光管电流、器件参数变化较大;此外其供电电源纹波过大也会使得激光器输出不稳定[3]。这就对半导体激光器的驱动电源提出十分严格的要求:电源供电瞬间上升沿平滑;电源输出电压稳定可靠,纹波小,功率大;断电电源缓慢平滑失电。
为了保证半导体激光器正常工作,目前激光驱动电源大多采用以高频、低开关阻抗的MOSFET为核心的开关电源等技术进行设计[4]。虽然其激光电源纹波小,但由于激光器价格昂贵、易受过电压冲击,不能满足高功率激光器对得电、失电平滑控制的要求。而且目前多数激光电源功率偏小,机械调节操作性差,电压上升和下降时间控制难度大,可靠性低[5]。
介绍一种基于FPGA的可调激光系统。该系统充分利用开关电源芯片的优点,结合流行的FPGA(现场可编程逻辑门阵列)和自动控制技术,实现了激光器件驱动电源实时、可调、稳定、可靠供电。与现有激光系统相比,系统集成度高、驱动电流大、设计简洁,在血液分析仪的应用中满足其技术指标,提升了国产血液分析仪的竞争力,对提高国内医疗诊断水平具有重要现实意义。
血液分析仪采用散射光检测技术对血细胞分析检测,该技术中的激光发射器为关键物料,其系统可靠性直接影响光源信号,决定了血细胞检测准确性。为了消除光源间的微小差异,需要对激光的电源上升沿、保持、下降沿进行持续调节。
技术指标如下:
(1)激光工作时,额定功率:DC4~5V/1A;
(2)激光电源上电上升沿时间:≤5ms;
(3)激光电源断电时电压在20s≤T≤30s缓慢下降至1.26V并保持。
可调激光电源控制系统包含以下几个模块:系统电源、FPGA控制器、软开关控制器、激光供电模块、激光发射器。
其中系统电源为DC24V及降压模块组成,为FPGA和激光供电模块供电。系统工作原理是:FPGA作为系统控制核心,首先控制软开关控制器导通,使得激光供电模块得电;DCDC降压转换,然后FPGA发出数字信号控制数字可调电阻阻值,激光供电模块稳压输出;激光发射器得电,发出激光[6]。
光源发射器作为核心部件,选择Philips Lumileds公司的专利LUXEON V高效能光源。它是第一个将传统照明的光输出特性结合LED体积小、寿命持久、节省能源等优点的产品,已被广泛使用于一般照明、汽车照明、便携式照明、数位影像、显示屏背光和信号显示等领域[7]。
现场可编程门阵列(Field Programmable Gate Array,FPGA)器件具有集成度高、功耗低、可靠性高等优点,以及可编程、并行处理的独特优势,广泛应用于电子通信、航空航天等领域[8]。采用AlTERA公司Cyclone III系列之EP3C40F484芯片,芯片集成有39600个逻辑单元,4个PLL,331个外部独立I/O,具有功耗低、集成度高等特点。该FPGA器件结合Altera公司的非易失的存储器EPCS Flash芯片EPCS64N完成嵌入式系统的设计。
为满足血细胞分析仪激光源工作时1A的大电流(功率为4W),且电源供电瞬间升压、断电(20~30)s逐渐降压至1.26V的特殊要求,本课题采用一种数字可调电压激光电源电路实现。电路采用稳压芯片LM2596和数字可调电位器AD5160搭建。其中LM2596稳压转换芯片,转换输出5V时,负载电流最大可达3A,完全满足激光光源的大电流大功率需求。而采用AD5291数字电位器作为LM2596电压转换的平衡电阻,再通过FPGA编程实时更改其阻值,从而满足激光电源的特殊需求。
数字电位器AD5160为8位256通道数字电位器,具有调节精度高、工作寿命极长、功耗小、无噪声、无机械磨损、数据可读写、具有配置寄存器及数据寄存器等优点。电位器量程为100kΩ,阻值变化绝对精度为0.39kΩ。
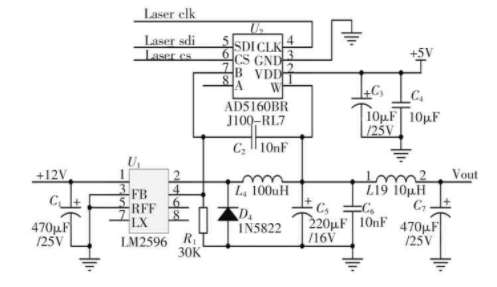
U1为稳压芯片LM2596,U2为数字可变电阻(VR)器件AD5160,Laser_clk、Laser_sdi和 Lase_cs分别是 FPGA 与 U2的SPI串行配置接口的时钟、数据和选通信号,如图1所示。C1~C7优质电容,均为了尽可能减少瞬态干扰,并滤除低频纹波。R1阻值为30kΩ,U2数字可变电阻的1脚和7脚之间的阻值为Ru2,则可计算出输出电压为1.25V。

图1 激光电源供电电路设计原理图
Fig.1 The Design Schematic Diagram of Laser Power Supply Circuit
FPGA通过编程控制进行SPI配置,配置数据0X00时,由于数字可变电阻U2存在60Ω游标接触电阻,则电源输出电压约为1.253V。
当配置数据为0XFF时,U2阻值满量程但实际比标称电阻小1LSB,即100kΩ-0.39kΩ=99.61kΩ,此时输出最大电压约为5.40V。
因此该电路,通过理论计算满足激光发生器对供电电压范围(1.26~5)V可调的要求;而数字可变电阻AD5160阻值的变化以及其变化时间可利用FPGA通过SPI接口设置对其进行延时控制,从而控制电源电压上升时间及下降时间。
系统中FPGA工作时钟为50MHz,用Verilog硬件描述语言软件编程设计,通过pll锁相环倍频,由分频模块输出控制配置AD5160芯片电阻值参数[9]。
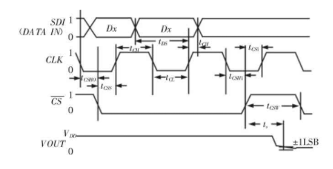
提出FPGA主控器与AD5160数字可调电阻器的SPI通讯。芯片 AD5160 有八个引脚,分别是 VDD、GND、CLK、SDI、CS、W、A、B,其工作时序,工作原理,如图2所示。
主控制器FPGA发送时钟信号发送到AD5160的CLK引脚,VDD供给+5V电源情况下,AD5160开始工作。当它的CS接收到FPGA发出低电平的下降沿,AD5160芯片通过SDI数据线采样并进行电阻值匹配。该数字信号上的8位数据高位在前(MSB),低位在后。当AD5160的CS变高电平,其电阻值保持。

图2 AD5160的SPI工作时序图
Fig.2 The SPI Configuration Sequence Diagram of AD5160
由图2可知,AD5160电阻器的数据发送的时钟周期是8帧,而CS可由FPGA中断拉高,SDI数据线处于高阻三态,再重新开始电阻匹配,等待下一个CS变为低有效的配置周期开始。因此,FPGA控制AD5160电阻器的一个数据配置周期为8帧时钟周期加上CS为高中断时间tq(1个时钟周期),即每个8位的数据采样周期为9(8+1)个时钟。主控制器FPGA的工作时钟频率为25M,则AD5160电阻器实际配置频率为25M/9=2.78MSPS。
当仪器需要激光电路工作时,用FPGA控制器通过SPI设置U2的数据值为0XE6,此时U2的阻值约为90K,激光电源电路输出电压Vout的值为5V,电压以微秒级瞬间上升至5V;当激光源工作结束时,FPGA控制器通过SPI设置U2的数据值从0XE6递减至0X00,递减步长为0X01,间隔时间为116ms,总时间为26.68s。
这种数字可调激光电源电路,通过稳压芯片LM2596电源电压转换的特性以及对数字可调变阻器AD5160的精确调节,从而实现了电源电路(1.26~5)V电压和电压变化的精确调节,满足了激光源对供电电源的特殊要求。
在QuartusII开发环境中,创建signaltap逻辑分析仪文件,对配置AD5160芯片参数在线仿真,其中SMARTEN寄存器配置0XA0004数值波形图[10],如图3所示。
通过软件编程SPI接口的数字可调配置电阻值模块,FPGA输出25MHz的时钟信号控制模块。图3是逻辑分析仪SignalTap对FPGA实现SPI配置电阻值的调试图,cs_5160是片选信号,sck_5160是配置时钟,sdo_5160是串行数据,rdata[0..15]是FPGA对数字可调电阻AD5160配置的数值,以十进制数表示。

图3 FPGA配置数字可调电阻值图
Fig.3 The Diagram of Configuring Digital Adjustable Resistor Value by FPGA
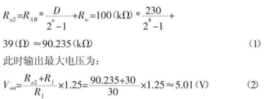
其中rdata[0..15]数值为十进制数230,则U2阻值可计算得:

由此可知,实测激光电源电压为(5.012±0.04)V波动范围内。电源驱动电路中,AD5160配置时钟为25MHz,且充分利用FPGA可编程优势,可微调实现激光电源电压的调试以改善甚至解决光源不一致问题,其电源驱动系统精度、速度、准确性均满足设计要求。
完成系统电子线路设计后,加载FPGA固化程序,在驱动电路板上运行,FPGA完成对数字可调电阻AD5160的阻值配置,其中配置“230”十进制数值(二进制数值为11100110)实际波形如图4所示。配置“93”十进制数值后的电压上电、断电波形,从上向下分别是AD5160芯片的选通信号CSN、配置时钟SCK和输入数据SDO,其理论值与实测值4.4V偏差仅约(-0.0054)V,上升时间约4ms,下降时间约为26.8s[12],如图5、图6所示。

图4 AD5160芯片阻值配置波形图
Fig.4 The Waveform Figure of Configuring AD5160 Resistor Value

图5 激光电源上电后上升沿波形图
Fig.5 The Waveform Figure of Voltage Rising after Laser Power Up

图6 激光电源断电下降沿波形图
Fig.6 The Waveform Figure of Voltage Dropping after Laser Power Off
实验结果表明,数字可调激光电源供电时,上升时间仅小于5ms,FPGA控制电阻值稳定,电源模块稳压波形平滑,几乎无毛刺,实测纹波小于50mV,激光电源断电时,电压缓慢平滑下降且可调,误差完全符合设计要求。目前,该数字可调激光驱动电源控制系统已成功应用到五分类血液分析仪,实际运行结果与实验结果完全一致,通过改变激光驱动电源的设计,与其它激光驱动电源相比,有效的提高了激光系统产生光源的可靠性和稳定性。
设计一种基于FPGA的数字实时可调激光系统。系统创新的通过FPGA自由编程的特点来完成激光电源幅值、上升和下降时间的控制,对激光光源的可靠性和稳定性有明显的提高。该数字可调激光驱动电源控制系统已成功应用到五分类血液分析仪,实际应用中取得了良好的效果。