电缆布线是电仪布线的一部分,让我们来看看最差的布线和最完美的布线究竟有多大差距?
印度电工复杂的接线,开了挂的工作……


到了德国人那里呢 ,美得令人窒息……


我们如何做到安全,又赏心悦目呢?
这里需要相间隔板

建议的母线系统

压入螺纹连接的线要压这样的端子,注意是有预绝缘的

或是压入螺纹连接的线要压这样的端子,注意,是有预绝缘的

接入电机的线要压这样的端子,注意,是有预绝缘的,实在没有怎么办,装热缩管,注意要分颜色哦。

热缩管,不能用打火机,只能用这个热风枪

进分线盒,进电机,进电磁阀,进仪表的电缆先要装防水接头

门上的电线,要装行线槽
行线槽要正品的,那种再生料的就别装上去,很容易断

过门的位置做好最好是用软管进行保护

建议的接线端子,免得大家半天接不好一根线。

穿窗出来的管道,用这样的卡箍,现在检修很困难

元器件安装,要注意到……

前提:所有元器件应按制造厂规定的安装条件进行安装。
适用条件:
需要的灭弧距离;
拆卸灭弧栅需要的空间等,对于手动开关的安装,必须保证开关的电弧对操作者不产生危险。
组装前首先看明图纸及技术要求。
检查产品型号、元器件型号、规格、数量等与图纸是否相符。
检查元器件有无损坏。
按图安装 (如果有图)。
元器件组装顺序应从板前视,由左至右,由上至下,原件安装必须横平竖直。
同一型号产品应保证组装一致性。
面板、门板上的元件中心线的高度应符合规定
元件名称 安装高度(m);
指示仪表、指示灯 0.6-2.0;
电能计量仪表 0.6-1.8;
控制开关、按钮 0.6-2.0;
紧急操作件 0.8-1.6;
组装产品应符合以下条件:
操作方便。元器件在操作时,不应受到空间的防碍,不应有触及带电体的可能;
维修容易。能够较方便地更换元器件及维修连线;
各种电气元件和装置的电气间隙、爬电距离应符合4.4 条的规定。保证一、二次线的安装距离;
所有电器元件及附件,均应固定安装在支架或底板上,不得悬吊在电器及连线 上。
接线面每个元件的附近有标牌,标注应与图纸相符。除元件本身附有供填写的 标志牌外,标志牌不得固定在元件本体上。(a图)

图a 端子的标识

图 b 双重的标识
标号应完整、清晰、牢固。标号粘贴位置应明确、醒目(b图)
安装于面板、门板上的元件、其标号应粘贴于面板及门板背面元件下方,如下方无位置时可贴于左方,但粘贴位置尽可能一致,c图 门上的器件

图c 门上的器件
保护接地连续性保护接地连续性利用有效接线来保证。柜内任意两个金属部件通过螺钉连接时如有绝缘层均应采用相应规格的接地垫圈并注意将垫圈齿面接触零部件表面(图红圈处),或者破坏绝缘层。

门上的接地处(红圈处)要加“抓垫”,防止因为油漆的问题而接触不好,而且连接线尽量短。


安装因振动易损坏的元件时,应在元件和安装板之间加装橡胶垫减震。
对于有操作手柄的元件应将其调整到位,不得有卡阻现象, 门的打开不得影响手柄。(主开关及其旋转手柄的安装必须采用图中的安装方式,且防护
等级不能因为门板的开孔而降低)。
将母线、元件上预留给顾客接线用得螺栓拧紧。
一次线相间必须用黄绿红或者R,S,T线号进行区分,不允许只用一种颜色。
配电柜内必须预留30%的安装空间。

二次回路布线,是啥样……
基本要求:按图施工、连线正确。
二次线的连接(包括螺栓连接、插接、焊接等)均应牢固可靠,线束应横平 竖直,配置坚牢,层次分明,整齐美观。同一合同的相同元件走线方式应一致。

二次线截面积要求:
单股导线 不小于1.5mm2
多股导线 不小于1.0mm2
弱电回路 不小于0.5mm2
电流回路 不小于2.5mm2
保护接地线 不小于2.5mm2
所有连接导线中间不应有接头。
每个电器元件的接点最多允许接2 根线。
每个端子的接线点一般不宜接二根导线,特殊情况时如果必须接两根导线,则连接必须可靠。
二次线应远离飞弧元件,并不得防碍电器的操作。
电流表与分流器的连线之间不得经过端子,其线长不得超过3 米。
电流表与电流互感器之间的连线必须经过试验端子。
二次线不得从母线相间穿过。
二次线线号必须清晰,线号穿法应为从左向右,从下往上。
二次接线必须按图施工。

再说说,一次回路布线
一次线走线必须横平竖直。
一次线(除加热线以外)均采用BVR型号端头必须压接接线端子且线径大于6平米的电缆必须烫锡。
进线开关相间必须用隔板隔开。
配电柜内必须有明确,醒目的相间标识,包括:A,B,C,N,PE.
配电柜内必须要有单独的零排,地排。
配电柜内所用到的所有铜排必须进行搪锡处理,且必须有相应的相间标识。
配电柜内的所有一次线不允许共同用一个线鼻子,必须分开压接,且每个接线端子和铜排接线孔上,原则上只允许接一根线,特殊情况下可以接两根线,且不能超过两根。
一次线在线槽里必须行走规范,不允许有乱拉乱搭现象,每根线都应该留一定的余量。
电器原件装配必须安装装配图进行,不允许有乱装现象。
一次配线应尽量选用矩形铜母线,当用矩形母线难以加工时或电流小于等于100A 可选用绝缘导线。 接地铜母排的截面面积=电柜进线母排单相截面面积×1/2。
接地母排与接地端子:

下图为错误接法

铜母线载流量选择需查询有关文档,聚氯乙烯绝缘导线在线槽中,或导线成束状走行时,或防护等级较高时应适当考虑裕量。
下图为正确接法

以下为错误接法
接线不规则,必须把进入线槽的大电缆外层剥开。把所有导线压进线槽

母线应避开飞弧区域。
当交流主电路穿越形成闭合磁路的金属框架时,三相母线应在同一框孔中穿过。 接线不规范,必须把进入线槽的大电缆外层都剥开,把所有导线压进线槽。
电缆与柜体金属有摩擦时,需加橡胶垫圈以保护电缆。
以下为正确接法

以下为错误接法

电缆连接在面板和门板上时,需要加塑料管和安装线槽。 柜体出线部分为防止锋利的边缘割伤绝缘层,必须加塑料护套。

以下为错误接法
柜体内任意两个金属零部件通过螺钉连接时如有绝缘层均应采用相应规格的接地垫圈, 并注意将垫圈齿面接触零件表面,以保证保护电路的连续性。
当需要外部接线时,其接线端子及元件接点距结构底部距离不得小于200mm,且应为 连接电缆提供必要的空间
提高柜体屏蔽功能,如需要外部接线,出线时,需加电磁屏蔽衬垫,柜体孔缝要求为求缝长或孔径小于λ / (10~100)。如果需要在电柜内开通风窗口,交错排列的孔或高频率分布的网格比狭缝好,因为狭缝会在电柜中传导高频信号。柜体与柜门之间的走线,必须加护套,否则容易损坏绝缘层柜门没有接地,柜门走线必须加线槽.

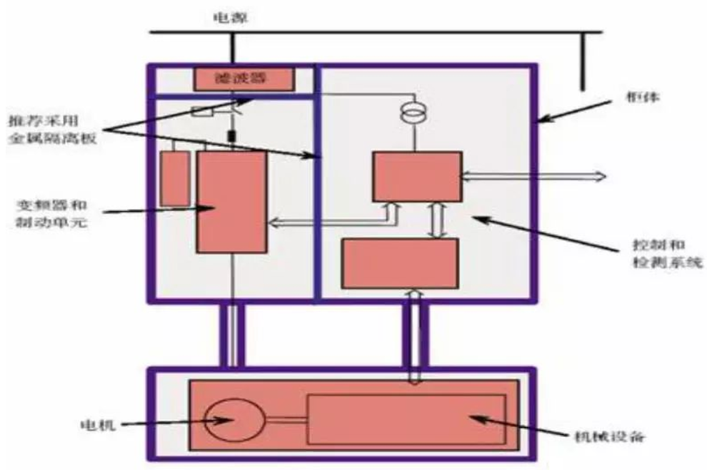
西看看,电柜布局……
确保传动柜中的所有设备接地良好使用短和粗的接地线连接到公共接地点或接地母排上。连接到变频器的任何控制设备(比如一台PLC)要与其共地,同样也要使用短和粗的导线接地。最好采用扁平导体(例如金属网),因其在高频时阻抗较低。

为电柜低压单元,继电器,接触器使用熔断器以保护。当对主电源电网的情况不了解时,建议最好加进线电抗器。
确保传导柜中的接触器有灭弧功能,交流接触器采用R - C 抑制器,直流接触器采用“飞轮”二极管,装入绕组中。压敏电阻抑制器也是很有效的。下图便为接触器上面的反向二极管。

信号线最好只从一侧进入电柜,信号电缆的屏蔽层双端接地。如果非必要,避免使用长电缆。
控制电缆最好使用屏蔽电缆。模拟信号的传输线应使用双屏蔽的双绞线。低压数字信号线最好使用双屏蔽的双绞线,也可以使用单屏蔽的双绞线。模拟信号和数字信号的传输电缆应该分别屏蔽和走线。
不要将24VDC 和115/230VAC 信号共用同一条电缆槽!在屏蔽电缆进入电柜的位置,其外部屏蔽部分与电柜嵌板都要接到一个大的金属台面上。
电机电缆应独立于其它电缆走线,其最小距离为500mm。同时应避免电机电缆与其它电缆长距离平行走线。如果控制电缆和电源电缆交叉,应尽可能使它们按90度角交叉。同时必须用合适的夹子将电机电缆和控制电缆的屏蔽层固定到安装板上。
为有效的抑制电磁波的辐射和传导,变频器的电机电缆必须采用屏蔽电缆,屏蔽层的电导必须至少为每相导线芯的电导的1/10。
中央接地排组和PE 导电排必须接到横梁上 (金属到金属联接) 。它们必须在电缆压盖处正对的附近位置。中央接地排额外还要通过另外的电缆与保护电路(接地电极) 连接。屏蔽总线用于确保各个电缆的屏蔽连接可靠,它通过一个横梁实现大面积的金属到金属联接。
不能将装有显示器的操作面板安装在靠近电缆和带有线圈的设备旁边,例如电源电缆,接触器,继电器,螺线管阀,变压器等等,因为它们可以产生很强的磁场。
功率部件 (变压器,驱动部件,负载功率电源等等) 与控制部件 (继电器控制部分,可编程控制器) 必须要分开安装。
但是并不适用于功率部件与控制部件设计为一体的产品,变频器和相关的滤波器的金属外壳,都应该用低电阻与电柜连接,以减少高频瞬间电流的冲击。
理想的情况是将模块安装到一个导电良好,黑色的金属板上,并将金属板安装到一个大的金属台面上。喷过漆的电柜面板,DIN 导轨或其他只有小的支撑表面的设备都不能满足这一要求。
下图便为一个电柜的基本布局:

设计控制柜体时要注意EMC的区域原则,把不同的设备规划在不同的区域中。每个区域对噪声的发射和抗扰度有不同的要求。
区域在空间上最好用金属壳或在柜体内用接地隔板隔离。并且考虑发热量,进风风扇与出风风扇的安装,一般发热量大的设备安装在靠近出风口处。进风风扇一般安装在下部,出风风扇安装在柜体的上部。

根据电柜内设备的防护等级,需要考虑电柜防尘以及防潮功能,一般使用的设备主要为: 空调,风扇,热交换器,抗冷凝加热器。同时根据柜体的大小合适的选择不同功率的设备。
关于风扇的选择,主要考虑柜内正常工作温度,柜外最高环境温度,求得一个温差,风扇的换气速率,估算出柜内空气容量。
已知三个数据:温差,换气速率,空气容量后,求得柜内空气更换一次的时间,然后通过温差计算求得,实际需要的换气速率。
从而选择实际需要的风扇。因为一般夜间,温度下降,故会产生冷凝水,依附在柜内电路板上,所以 需要选择相应的抗冷凝加热器以保持柜内温度。

电控柜内接线端子排的安装

电控柜内接线端子排的安装,应该合下列要求:
端子排无损坏,固定牢固,绝缘良好。
端子应有序号,端子排应便于更换且接线方便。
回路电压超过400V的端子板应有足够的绝缘并涂以红色标志。
强,弱电端子宜分开布置;应有明显标志并设空端子隔开或设加强绝 缘的隔板。
正,负电源之间以及经常带电的正电源与合闸或跳闸回路之间,宜以一个空端子隔开。
电流回路应经过试验端子,其它需断开的回路宜经特殊端子或试验端子。试验端子应接触良好。
潮湿环境宜采用防潮端子。
接线端子应与导线截面匹配,不应使用小端子配大截线。
连接件均应采用铜质制品,绝缘件应采用自熄性阻燃材料。
各电器,端子牌等应有尽标明编号,名称,用途及操作位置,其标明的字迹应清晰,工整,且不易脱色。
附注:
1、铜排冲孔应注意去毛刺,尤其是方孔时。
2、绝缘支撑厚度应不大于10mm,要注意检查。
3、装元器件之前要看看说明书,否则装完后不易查出。
4、不同电压等级的端子要分开。
5、门内线槽不能用双面胶粘贴,可以502,注意别留缝隙。
6、用于外部接线端子的线槽应加大。
7、线槽不要与主回路输出端太近。
8、成柜要做出厂检验,并附有调试记录。
9、导线经过隔板时要加护套。
10、导线中间不要有接头。
11、电缆支架要合理。
12、考虑安装维护的安全。
13、一次线出端子。
14、强电,弱点部分要隔离安装。
15、配电柜防护等级不得低于IP56。
16、喷涂颜色
安装板 镀锌
门内侧 涂装色 MUNSELL 5Y8/1.5
门外侧 涂装色 MUNSELL 5Y8/1.5
17、柜内所以接线鼻必须采用预绝缘铜线鼻。