端盖是汽车、火车减振阻尼器上的一个重要安全性零件,属大批量生产产品,适合高效的自动化生产线加工。本文通过对所有工艺要素进行全面分析和难点解决,全面实现了加工作业流线化,为后期自动加工线的设计打下基础。

图 1
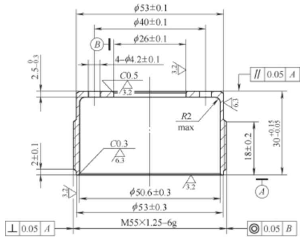
端盖(见图1)是用2.5mm厚的普通碳素冷轧钢板深冲成形后再进行切削加工而成的薄壁盖类零件,材料为ST14,抗拉强度为270MPa,硬度为80HB,材料特性为延伸性较好但切削性较差。主要切削部位是外圆上的螺纹,经表面镀锌后的精度等级为6级(基本偏差为g),装入阻尼器后螺纹的破坏拉力为20kN以上,所以螺纹加工精度的可靠保障还涉及到安全性,如何来达成是本课题的研究内容。螺纹切削加工的难点为:
①由于零件的加工基础件是冲压拉伸而成,不可避免地会产生脱模锥度、壁厚拉薄不匀及端口皱褶等缺陷,给寻找加工定位基准、克服装夹变形带来很大的困难。
②零件切削刚性较差,很容易产生切削振纹等缺陷,不利于高速切削。
③零件材料的低硬度、高韧性对于金属切削是不利的,尤其是螺纹加工更为明显。
④图样要求表面进行镀锌处理,镀层厚度为5~15μm,即零件在切削加工完成后须覆盖镀锌层,考虑到镀锌层厚度误差对螺纹精度的影响,在严格控制镀锌层厚度的同时,还必须将螺纹加工时的精度等级由6级提高到5级,以确保表面镀锌处理后螺纹精度等级仍保持在6级以内,对于大批量生产来说,难度不小。
(1)加工定位基准选择困难是由于车削加工前的基础件是冲压坯料,存在外形不规则的问题,例如,内外圆有拔模锥度、壁厚不匀、端口皱褶及上端平面有冲孔后形成的应力凹弧面等,所以在该坯料上找不到较为平整规则的内、外圆和平面可以直接作为螺纹加工的基准。
(2)由于零件壁厚较薄,又没有平整规则的定位基准,所以装夹变形难以避免,造成的后果是:零件在装夹后产生微小变形的情况下,完成切削加工并达到了精度要求,但只要装夹一松开,装夹变形就会还原,从而失去已达到的精度,最终无法达到精度要求。
(3)材料切削性差。该零件坯料的冲压拉伸量较大,必须采用含碳量较低、韧性较好的材料来制作。ST14钢板虽有较好的延伸性,能使零件顺利拉伸成形,但强度、硬度的下降会降低切削性,给切削加工带来一定的困难。主要影响因素是在切削过程中易产生粘刀和刀尖切屑瘤等状况,从而破坏零件的几何尺寸精度和表面粗糙度,尤其是螺纹的高速切削加工,因走刀速度快、刀尖圆弧小,更容易发生这种情况。
(4)零件自身刚性不足。零件非常“单薄”,加工后壁厚最小处不足2mm,理想的加工方式是以坯料内孔来定位夹紧,进行外圆及螺纹的切削加工。这种加工方式的切削力方向对准定位面则刚性好。但由于坯料的拔模锥度致使内孔呈微小的喇叭状、圆度形状不规则和壁厚不均匀等缺陷,唯一能选择的是以零件相对平整的端面作为主定位基准面,将其压紧后进行切削加工,这种方式的径向切削力方向平行于定位支承面,并且离开基准支承面还有一定距离,刚性不是很好。此外,由于该基准面不是一个完全平整的平面,所以与夹具定位面的接触刚度也不足。在这种情况下,为了避免工件变形,装夹时不能达到充分压紧状态,工件与夹具的一体性就不会很好,加剧了切削刚性的下降,切削表面的振纹、粗糙等缺陷也会随之而来。而自动生产线是要连续生产的,要求的是能够稳定、可靠、高效和光亮美观地达到精度等级要求。
(5)该零件镀锌后的螺纹精度等级为6级,考虑到表面镀锌层厚度和镀锌产生的误差而导致加工后螺纹的精度改变,在加工螺纹时必须留有必要的镀锌余量。考虑到生产过程中尽量采用标准量具(螺纹规)的原则,通过对镀锌膜厚要求和镀层误差对螺纹影响的计算,只能将精度提高一个等级,来确保镀后螺纹的精度等级,这样在车削螺纹时就以5级精度要求进行控制,这一工艺措施又使加工难度增加了很多。
要想加工出高精度的螺纹,基本思路是设法通过对冲压坯料进行二次加工,来制造一个能够达到要求的定位基准,步序是以冲压坯料的粗基准定位来加工出较精基准,再以该较精基准定位来加工出精基准,最后利用该精基准定位来加工出满足精度要求的合格螺纹。

图 2
(1)首道工序的定位基准选择与加工。首道工序的选择别无他法,只能选择冲压坯料的粗基准来加工出较精基准。根据产品图样要求,φ26mm为基准孔,关键尺寸M55×1.5mm外螺纹与其有同轴度要求。由于孔是冲压而成,相对比较规则,尺寸一致性也较好,可以用来作为第一定位基准,然后再利用φ4.2mm孔辅助定位。其次,利用相对较为平整的上端的内平面作为第二定位基准,这样就实现了一面二孔的完全定位。在定位基准选择完成后,可进行夹具方案的设计(见图2),以零件的上端面为压紧面,通过机床尾架安装的活络顶针+压块压紧零件。然后对其外圆和端口进行切削,加工出较为规则、具有较高精度的基准。从图1可以看到,由于φ26mm孔有表面粗糙度要求,且与螺纹有同轴度要求,作为后道工序螺纹加工的精基准来使用的话,显然工序能力还是不足的,此时必须在冲压时留些余量,再经切削加工来达到。鉴于这种定位方式和工序要求的考虑,必须对上一道冲压坯料工序提出两方面的工艺要求:①主定位孔应留有0.5mm切削余量,将图样要求为φ26mm的孔在冲压工序中设定为φ25.5mm。②冲孔时的冲压方向必须是由内向外,使得冲孔引起的毛刺不产生在零件的内平面上而影响定位效果。这样,本工序的实际基准确定为端盖的内平面和φ25.5mm、φ4.2mm两个孔。该方案存在的不足是,冲孔后该基准平面上的5个孔周围会形成凹凸应力弧面,并且随孔直径大小不同所产生的冲孔应力不同,会引起大的应力弧面高低不一,也就是说,从微观上来讲该平面是不平的,因而当该平面被压紧后,零件仍会有少量变形。为了避免该缺陷对螺纹加工工序的影响,在本工序的外圆、端口加工时,均要留一定的余量与螺纹加工工序同时加工,以确保螺纹及相关位置的精度要求。通过本工序对外圆及端口的切削加工,去除了冲压形成的外圆拔模锥度和端口拉伸皱褶等缺陷,得到了一个形状较为规则并有一定精度的外圆和下端面口,建立起了一个新的并具有一定精度的定位基准,为寻找出下一个定位基准奠定了良好的基础。
(2)第二道精定位基准的加工方法和夹具设计要点。本工序是在已完成的首道工序基础上,对螺纹加工所需基准中的主定位面和主定位孔进行精细加工。将首道工序中经过加工的外圆和端面口为基准,放入设有端面定位靠山、内弧面经过加工的“软”爪内(见图3),软爪内弧面直径至与零件上一道工序加工后的外圆直径相同,零件口部的端面紧靠三爪自定心卡盘的定位端面,然后轻轻夹紧三爪自定心卡盘,夹紧力的把握要在实践中摸索。因本工序主要目的是进行螺纹加工工序所需的基准修正,切削量很小,所以夹紧力的把握以能够克服切削力、减少工件的变形为主要考虑要素。适度夹紧后,进行螺纹加工所需的主定位基准面的切削,此时的定位面与被加工面是基本平行的,所以切削量在0.2~0.3mm就足以把整个平面加工出来。完成主定位面加工的同时,将φ25.5mm冲压孔加工到φ26~φ26.05mm,再按图样要求把孔的倒角、表面粗糙度等相关要求加工到位,以作为螺纹加工的主定位孔使用,这样就建立了螺纹加工的精定位基准。本工序所用夹具是利用机床随机配置的三爪自定心卡盘,安装上调质钢制成的“软爪”,利用软爪的可车削性随车将其内爪面镗削至与被加工件相同直径,目的是尽可能地增大与工件的夹紧面积来分散单位面积的压力,以减少工件的变形。由于此三爪自定心卡盘是集定位与夹紧于一体的,所以加工时要注意两点:①镗孔时在三爪自定心卡盘后部夹持一块厚5mm以上的圆形钢板,目的是在镗削三爪内圆面时,卡盘内螺旋盘系统的间隙与夹紧工件时的间隙方向一致,能使镗出的圆弧面直径与零件外圆在夹紧时更加贴合,同时也能起到提高镗削三爪时的切削刚度的作用。②软爪内圆弧面轴向底部台肩的高度作为端面的定位靠山,台肩高度向中心方向凸出内圆弧面2mm以上即可。

图 3
(3)最终工序定位基准和夹具形式的选择。通过以上两道工序的加工,获得了该零件进行螺纹加工的精确基准,可基本消除零件的装夹变形对加工精度的影响,提高定位面的切削刚度,满足了高精度螺纹高速切削的基本条件。零件有了精确的定位基准后,夹具设计的合理性也很重要,除了要确保零件加工后的尺寸精度和形状位置精度满足图样要求外,针对加工对象自身刚性不足的特点,要最大程度地提高夹具刚度来弥补零件自身刚度的不足。夹具形式如图4所示,根据加工对象规格的不同,可做成相应规格的夹具。方案a的优点是更换品种重复拆装不失精度,但刚性要略逊于方案b,设计要点是:锥柄右侧的长度应尽可能短(在机床允许范围内),而连接圆角应尽可能大,有利于刚性的提高。方案b的刚性要略优于方案a,并且制作简单,缺点是每次更换加工对象的规格时要校正径向、轴向跳动。两种方案各有利弊,可根据实际情况选择。


以上都是为了能在该薄壁盖类零件上加工出高精度螺纹而创造的基本条件,从方案上解决了该零件加工的主要难题。考虑到最终要实现流线化大批量自动化生产,必须实现100%加工合格率的目标,因此要建立完整的质量保证体系。要把该零件整个制作体系中的工艺流程、质量控制要素和作业规范都固定下来并形成书面文件,提供给管理者和作业者作为日常生产调度、质量检测、量具刃具和工装设备等基础管理文件的依据。
工艺流程设计是将正确的工艺流程、工序要求固定下来,并对每道工序的控制要素加以规范,来满足最终产品的质量要求。如:该零件最终工序为镀锌,那么在镀前的加工工序中就必须采取相应的减小其相关尺寸、提高相关精度等措施。将全过程的工艺流程、质量控制要素和检测规范等要求编制成工艺质量控制表,作为全过程日常管理的基本文件。
工艺质量控制表的编制说明如下:

(1)该表的主要功能是编排了能够确保加工质量并环环相扣、相互保证的工艺流程、尺寸控制要素和质量控制管理的基本要求。
(2)工艺质量控制表中的首道工序(坯料冲压)为外协工序,但冲压坯料的外径、长度和孔径等尺寸的相关工序余量是根据后一道工序的车加工保证能力,以及查阅相关手册的经验数据估计而得,并通过一定数量的试加工来验证确认的。
(3)为了确保图样要求的M55×1.25-6g螺纹与下端部外圆同轴和与下端面垂直的几何公差要求,在编制工艺流程时,将这部分加工内容放在同一次装夹条件下完成。
(4)考虑到镀锌的影响,提高了螺纹加工精度,相应减小了部分尺寸的公差,以确保镀锌后的尺寸仍在图样规定的公差范围内。所以表中工序尺寸(公差)与图样尺寸是不一致的,零件加工生产时应按工艺文件(如作业标准)的相关要求执行,相对应的检具也是如此。
(1)螺纹加工夹具形式的确定。根据图4所示螺纹车夹具及其利弊分析,考虑到该零件为系列产品,在生产过程中有更换加工对象零件规格的需求,故选择方案a较为合适。但从图4a中也可以看出,在端面加工时,刀具与压紧顶针的距离很小,调试时稍有不慎就会撞刀,存在一定的隐患,由此在批量生产的夹具设计中作了一定的改进。
(2)夹具定位基准尺寸精度的确定。该夹具采用了较为典型的“一面两销”组合定位方案,以经精细加工过的上端面和φ26mm主定位孔以及φ4.2mm辅助孔作为零件的定位基准,同时在夹具对应的端面(定位面)上设计两个定位销轴,使工件在夹具中完全定位。然后参考夹具设计手册的推荐数据和经验公式来确定主要定位基准相关要求。
机床、刀具、切削液和切削用量等要素也是切削加工工艺链中的重要保障。在机床的选择上,主要考虑机床的刚性、精度,以及应具有功能稍强的数控系统;刀具方面,要选择高刚度的刀杆和品牌刀片,选择刀片类型时一定要认真参阅刀具样本;切削液应选择具有冷却、润滑、防锈防腐和除油清洗等功能的油性液,采用高压喷射形式;切削用量的合理选择非常重要,需要在实践中不断摸索,将成熟的参数编制成数控程序固定下来。这样就建立了零件加工完整的保证体系。

针对零件的特殊性,通过对各个环节采取特殊措施后,稳定地车削出5级精度的螺纹,并且以1 000r/min以上的转速,实现了质量稳定、快速高效以及螺纹光亮美观的目标。