因为具有重量轻、节约材料、结构紧凑等特点,薄壁零件已日益广泛地应用在各工业部门。但薄壁零件的加工是比较棘手的,原因是薄壁零件刚性差、强度弱,在加工中极容易变形,不易保证零件的加工质量。如何提高薄壁零件的加工精度将是业界越来越关心的话题。
薄壁零件的加工问题,一直是较难解决的。薄壁件目前一般采用数控车削的方式进行加工,为此要对工件的装夹、刀具几何参数、程序的编制等方面进行试验,从而有效地克服了薄壁零件加工过程中出现的变形,保证加工精度。影响薄壁零件加工精度的因素有很多,但归纳直来主要有以下三个方面:


因工件壁薄,在夹紧力的作用下容易产生变形,从而影响工件的尺寸精度和形状精度,如图1所示。受热变
因工件较薄,切削热会引起工件热变形,使工件尺寸难于控制。振动变形
在切削力(特别是径向切削力)的作用下,很容易产生振动和变形,影响工件的尺寸精度、形状、位置精度和表面粗糙度。
既然影响薄壁件加工精的因素找到了,那么我们将如何提高薄壁零件的加工精度呢?接下来笔者将通过具体实例来介绍提高薄壁件加工精度和效率的措施。
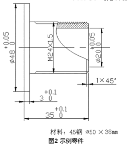
图2所示的薄壁零件,是我校用数控车床对外加工产品中难度较大的零件。采用的设备是配备了广州数控系统GSK980T的数控车床。为了提高产品的合格率,我们从工件的装夹、刀具几何参数、程序的编制等方面进行综合考虑,实践证明,有效提高了零件的精度,保证了产品的质量。
从零件图样要求及材料来看,加工此零件的难度主要有两点:
因为是薄壁零件,螺纹部分厚度仅有4mm,材料为45号钢,而且批量较大,既要考虑如何保证工件在加工时的定位精度,又要考虑装夹方便、可靠。通常的车削都是用三爪卡盘夹持外圆或撑内孔的装夹方法来加工,但此零件较薄,车削受力点与加紧力作用点相对较远,而且还需车削M24螺纹,受力很大,刚性不足,容易引起晃动,因此要充分考虑如何装夹定位的问题。 螺纹加工部分厚度只有4mm,而且精度要求较高。
目前广州数控系统GSK980T螺纹编程指令有G32、G92、G76。G32是简单螺纹切削,显然不适合。G92螺纹切削循环采用直进式进刀方式,如图3所示,刀具两侧刃同时切削工件,切削力较大,而且排削困难,在切削时两切削刃容易磨损,在切削螺距较大的螺纹时,由于切削深度较大,刀刃磨损较快,从而造成螺纹中径产生误差,但由其加工的牙形精度较高。G76螺纹切削循环采用斜进式进刀方式,如图4所示,单侧刀刃切削工件,刀刃容易损伤和磨损,但加工的螺纹面不直,刀尖角发生变化,而造成牙形精度较差。

从以上对比可以看出,只简单利用一个指令进行车削螺纹是不够完善的,采用G92、G76混用进行编程,即先用G76进行螺纹粗加工,再用G92进精加工的方式在薄壁螺纹加工中将有两大优点:一方面可以避免因切削量大而产生的薄壁变形;另一方面能够保证螺纹加工的精度。
由于工件壁薄,刚性较差,如果采用常规方法装夹,工件将会受到轴向切削力和热变形的影响出现弯曲变形,很难达到技术要求。为解决此问题,我们设计出了一套适合上面零件的加工的专用夹具,如图5所示。

其中,件1为夹具主体,材料为45号钢,左端被夹持直径为80mm,可用来夹持工件的内孔直径范围为20~30mm;件2为拉杆,材料为45号钢,直径为21mm,它刚好与薄片工件上的φ21孔对应配合,使工件在夹具中定位及传递切削力;件3为已加工完左端面和内孔的工件,装夹时要注意工件与夹具体1的轴向夹紧配合。小沟槽是在工件调头装夹后,为方便控制总长度而设计的,尺寸为5mm×2mm。
加工步骤选定
装夹毛坯15mm长,平端面至加工要求;
用f18钻头钻通孔,粗、精加工f21通孔;
粗、精加工f48外圆,加工长度大于3mm至尺寸要求;
调头,利用夹具如图2所示装夹,控制总长尺寸35mm平端面;
加工螺纹外圆尺寸至f23.805; 利用G76、G92混合编程进行螺纹加工; 拆卸工件,完成加工。
五、切削用量选择
内孔粗车时,主轴转速为500~600r/min,进给速度F100~F150,留精车余量0.2~0.3mm; 内孔精车时,主轴转速为1100~1200 r/min,为取得较好的表面粗糙度选用较低的进给速度F30~F45,采用一次走刀加工完成; 外圆粗车时,主轴转速为1100~1200 r/min,进给速度F100~F150,留精车余量0.3~0.5mm; 外圆精车时,主轴转速为1100~1200 r/min,进给速度F30~F45,采用一次走刀加工完成。
内镗孔刀采用机夹刀,缩短换刀时间,无需刃磨刀具,具有较好的刚性,能减少振动变形和防止产生振纹; 外圆粗、精车均选用硬质合金90°车刀; 螺纹刀选用机夹刀,标准刀尖角度,以便磨损时易于更换。
六、加工时的几点注意事项
工件要夹紧,以防在车削时打滑飞出伤人和扎刀;
在车削时使用适当的冷却液(如煤油),能减少受热变形,使加工表面更好地达到要求;
要注意安全文明生产。