图1所示为双铰链式杯形车刀,主要用来车削带柄的圆球。特点:杯形刀头采用双铰链式与刀杆连接,能自动将圆形刃口中心调整与工件中心一致的位置,从而避免了因装刀高低对所车球面圆度的影响;刀头采用杯形,能使切削时的切削力平衡,消除切削时的振动;因圆球的任意截面都是一个圆,所以一定尺寸杯形刀内径,可以车削大于杯形刀内径一定范围的圆球,其球径尺寸精度用中滑板吃刀深度来控制;刀具结构简单,操作与刃磨方便,车削效率高,车削一个几十毫米的手柄圆球,只需1min左右。

图1 铰链式杯形圆球车刀
1.杯形刀头 2.销轴 3.关节 4.刀杆
车削时,先用外圆车刀按工件球径车好外圆,并留小余量。再按球的长度用切断刀切一个槽,槽底直径约为12~18mm,与球径大小成比例。然后用切断刀把球车至大致形状,最后用铰链式杯形刀套在球坯上,用床鞍、中滑板调整刀的纵横向位置,如图2所示,进行横向吃刀车削,直到车削至要求尺寸为止。
两组干预后的SAS、VAS评分均低于干预前,差异具有统计学意义(P<0.05)。观察组干预后的SAS、VAS评分下降程度更明显,差异具有统计学意义(P<0.05),见表1。

图2 杯形刀的最终位置
一般选用的刀孔直径D比工件球径d小0.5~1.5mm。此刀在车削过程中,它的工作前角γ0e为负值,所以主要用来车削脆性材料,如夹布胶木、铸铁、铸铜和胶木,也可用来车削尼龙和塑料。因为刀头材料是高速钢,切削速度vc应根据所车削的材料来选择。在车削塑料和尼龙时,应使切削温度不超过材料的软化温度(塑料为95℃、尼龙为180~220℃)。若用来车削钢球,应尽量减小余量,采用vc<5m/min,并用润滑性能好的切削油,如植物油或极压切削油等。
冲床、压力机等机床上的球形关节内球面的加工精度和表面质量要求较高,而且还在工件的深处,若采用一般的车削方法,难以达到质量要求,而且十分困难。若采用图3和图4所示的圆形刀片和刀杆,就可轻而易举地实现加工。
刀片材料为高速钢,经过车、铣、淬火和磨削而成。它是左右正反对称切削刃,前角γo=0°,后角αo=8°~12°,bα=0.05~0.1mm,刀片外径d=内球面直径,前刀面宽为4~8mm,刀尖横刃很窄,刀片厚度H=4~16mm,见附表。
刀杆材料为45钢,刀杆直径d比圆形刀片直径小8~30mm,安装刀片槽的宽度h与刀片厚度H滑配合,槽深L=(1/2~1/3)d,d为刀片直径。
二战结束后,经济全球化浪潮推动各国重建和新建自贸港或自由贸易园区,形态上也从海港延伸到空港和陆港,实现了运输、加工和贸易的紧密结合,功能上服务于出口加工贸易的需要,成为发展中国家吸引外资、参与全球制造业分工、实现快速工业化和现代化的重要手段。一些发达国家为了防止国内就业岗位大量流失,同时在自由港内新增了工业区,比如美国于1950年通过博格斯修正案,准许对外贸易区内进行制造和展示活动。
我们列举出其中较少争议的部分(见表1.2)。词作者无疑用这些典故给予了歌曲更古老缱绻却又鲜活动人的强烈感染力。
使用前,先用钻头钻孔,再用内孔车刀大致粗扩一下,以提高球面位置精度和减小加工余量。然后把刀杆插入车床尾座锥孔中,使圆形刀片的缺圆靠在刀杆槽底面,并使刀片在槽中能左右浮动,向前移动和紧固尾座,用手摇动尾座手轮向前进刀,直至使工件内球面达到要求深度为止。根据工件材料的不同,选用不同的切削速度vc和不同的润滑液。一般铸铁vc=10m/min左右,用煤油润滑;若是钢材vc<5m/min,用润滑性能好的植物油或极压切削油润滑。
此种刀具的特点是:刀片和刀杆的制造工艺简单,刀片采用对称式切削刃,并在刀杆中浮动,使切削力平衡,切削中无振动;工件内半球面的精度,由刀片的制造精度来保证;加工后工件表面粗糙度值可达Ra=1.6~0.8μm;刀片的刀尖处横刃很窄,加工后的球面底部无凸凹缺陷;操作简便,如同钻孔一样,甚至可以不用钻头钻孔和刀具扩孔,直接钻出内半球面。通过这些年先后加工φ30~φ160mm的内半球面,质量都达到要求。
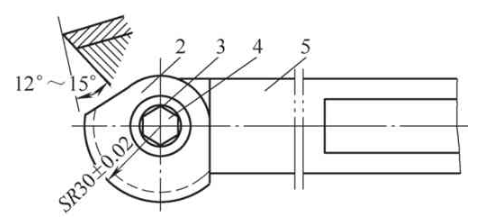
车削图5中所示的工件1,工件材料为聚四氟乙烯(也可以加工尼龙、有机玻璃、铸铁和铸铜)。要求内孔圆柱面与孔底的内半球面的连接点A必须十分光滑且无微小台阶,这就给车削带来很大困难 。为此在精车时,必须在同一次走刀中,把内圆柱面和内球面同时一次走刀精车好。

图3 内半球面圆形浮动刀片

图4 刀杆
刀片参数表

刀片直径d/mm 20~30 31~40 41~50 51~60 61~80 81~160前角γo(°) 0后角αo(°) 10~12 10~12 10~12 8~10 8~10 8~10前刀面宽/mm 4 6 8 12 14 16刀片厚度H/mm 4 6 8 12 14 16


图5 内球面工件和成形刀具
1.工件 2.刀片 3.垫圈 4.螺钉 5.刀杆
为了车削此工件,就制作了图5所示的成形车刀。它是把用高速钢制成圆形刀片(局部),用螺钉固定在刀杆上而成。车削内孔时,先用钻头钻孔,用内孔刀粗车内孔,再用成形车刀半精车内孔和内半球面,最后在一次走刀中精车圆柱孔和内球面。这样就使内圆柱孔与内球面无接刀痕迹,而且十分光滑。
内外球面特别是有一定加工精度的内外球面是一种难加工工件,车削难度大。只要创新刀具和相应工装,就会变难而易。上面的三例就说明了此问题。