真空夹具在薄壁件的加工中应用广泛,如SCHMALZ(施迈茨)公司设计的真空装夹系统,适合底部平整、面积较大的金属薄壁件加工。针对薄壁结构件如飞机蒙皮的装夹问题,近年来出现了多点柔性夹具,如西班牙M.Torres公司的TORRESTOOL多点柔性工装系统,该夹具可用于飞机机身、机翼等飞机蒙皮的切边和钻铣。北京航空航天大学建立了基于可重构柔性多点模具的飞机蒙皮数字化拉形试验系统,突破了飞机蒙皮CAD数模工艺补充面的自动生成技术。中航工业哈尔滨飞机工业集团有限责任公司针对大型薄壁件的加工变形采取的措施之一是设计正反两面加工的真空夹具。这些真空夹具的设计都为薄壁构件的加工变形控制和加工精度的保证提供了有效方法。
典型的飞机薄壁构件表面由多个型腔组成,这些小型腔的腹板部分厚度最薄处达到1 mm以下,结构复杂,形状和尺寸多变。该类结构件通常不能采用上述的真空夹具,而采用专用的真空夹具,则夹具品种多、数目多,无法保证夹具的通用性。本文针对整体壁板类薄壁结构的加工设计了一套真空柔性夹具,并研究了吸盘结构以及板厚对薄壁结构的影响。
某飞机的薄壁构件如图1所示。由于腹板较薄,加工时受到刀具轴向切削力的作用容易变形,因此为每处腹板增加一套真空柔性夹具,既能提供均匀的夹紧力,又能使腹板得到有效支撑。真空柔性夹具结构如图2所示。

图1 JSF/F35典型结构件几何特征

图2 真空柔性夹具结构
真空柔性夹具的工作原理是:未供油压时,夹具处于释放状态;开始供油后,活塞上升,柱塞弹簧带动吸盘上升直至完全接触工件;接着,在油压的作用下锥套下移,通过钢球对套筒产生较大的径向作用力,从而对柱塞产生强劲的抱紧力;最后,通过真空泵对密封腔抽真空,在吸附区域产生均匀的夹紧力,工件加工完成后,使密闭腔与大气相通,即可松开工件。真空柔性夹具安装方便,具有自适应性,不用手动调整吸盘的高度,针对不同型腔大小的腹板结构,仅更换真空吸附夹具上方的组件即可。
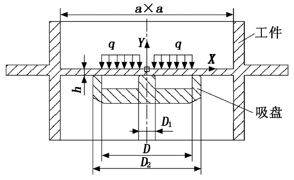
在相同的切削用量和切削方式情况下,腹板的变形规律相似,这里仅取某一处腹板结构进行分析。简化后的装夹几何模型如图3所示。密封件由橡胶制成,材质较软,加工期间对腹板的变形影响可忽略不计,因此在有限元仿真中忽略密封件三维模型,在工件相应区域施加分布载荷q代替负压,选取q=55 kPa。为了避免吸盘割伤铝合金工件,吸盘材料选择铝合金,工件和吸盘的材料参数见表1。

图3 简化后的装夹几何模型
表1 组件的主要材料参数

名称材料弹性模量EN·mm-2泊松比v密度kg·m-3屈服极限MPa工件7050-T74517.17×1040.32830449.493吸盘LY127.1×1040.32800325
将建立的三维模型导入有限元分析软件内,采用8节点六面体单元C3D8R对承载盘和工件进行网格划分,并对承载盘和工件接触区域的网格进行细化。为了对位移的求解结果要求精确,因此选择线性缩减积分单元;腹板在受力分析中承受弯矩,沿厚度方向上至少应划分4个单元。工件腹板下表面和吸盘上表面定义Surface Intact,其接触属性设置为库伦摩擦,摩擦因数为0.09。施加边界条件时,吸盘下表面和整体框左右端突出部分施加固定约束。
采用真空柔性夹具辅助支撑腹板,即增加了一块刚性支撑,又得到了均匀分布的夹紧力,从而提高了加工时工件的刚度。若对腹板上所有点进行受力分析计算,计算量比较庞大,因此仅选取一些参考点进行仿真分析。从腹板上表面中心向左依次选取A至G共7个参考点,参考点与腹板中心的距离如表2所示。
表2 参考点与腹板中心的距离 mm

参考点ABCDEFG距离07.512.517.522.527.532.5
取D=40 mm,D1=8 mm,D2=50 mm,a=80 mm,板厚h=2 mm,其余板厚为5 mm,分别在各参考点处直径Φ1 mm内的范围加载幅值为100 N的变载荷,在其他条件不变的情况下,通过有限元软件模拟了有、无真空柔性夹具作为辅助支撑两种条件下的腹板法向变形。
图4(a)给出了无真空夹具作为支撑情况下,不同参考点处施加载荷所引起腹板受力变形,图中曲线1~7分别代表在参考点A至G处单独施加载荷所引起的腹板各点Z向位移;图4(b)给出了有真空夹具作为支撑情况下,不同参考点处施加载荷所引起腹板受力变形,图中曲线1~7分别代表在参考点A至G处单独施加载荷所引起的腹板各点Z向位移。

图4 不同加载情况下腹板上各点Z向位移
由图4可以看出,在有、无真空夹具作为支撑的两种情况下,腹板中心区域节点Z向位移量都较其他区域节点Z向位移大;在有辅助支撑的情况下,腹板中心区域节点Z向位移较无支撑状态明显减小。分别在参考点A、B、C、D处施加载荷时,在腹板上引起的节点Z向位移总体较大,越靠近载荷处,节点Z向位移越大。受力区域越靠近框壁,整体变形越小,受力区域的最大节点Z向位移同样也减小。
薄壁件厚度越小,抵抗变形的能力越弱,在加工过程中极易因切削作用而产生“让刀现象”和颤振。在真空柔性夹具作为辅助支撑、其余条件同上节情况下,分别选取不同腹板厚度进行分析,表3中列出了各参考点处节点最大Z向位移量随厚度的变化。
表3 参考点处节点Z向位移 μm

板厚(mm)参考点ABCDEFG2625848393222123272624201510541514129754
由表3可知,当板厚h为3 mm、4 mm时,腹板在各参考点处节点Z向位移量整体较小,这是由于腹板厚度增大,刚度变大的缘故;当板厚h=2 mm时,在腹板中心区域受力导致的节点位移量明显增加,腹板在其余参考点处受力时,节点Z向位移量都有所增加。腹板厚度较小时,增加真空柔性夹具是有必要的。
由第4节可知,对于同一套吸盘而言,当腹板厚度变小时,由于密封腔边界相对腹板厚度较大,腹板刚度不足,节点Z向位移明显增加。针对上述问题,提出以下改善措施:减小真空腔边界间距,划分成多个真空腔,同时增大吸盘直径,改进后的简化装夹模型如图5所示。在其他条件同第4节的情况下,对腹板进行了有限元仿真分析。图6为改进后有真空吸附单元作为支撑情况下,不同参考点处施加载荷所引起腹板受力变形。图6中曲线1~7分别代表在参考点A至G处单独施加载荷所引起的腹板各点Z向位移。

图5 吸盘改进后的简化装夹模型
由图4和图6可以看出,吸盘结构改进后,腹板中心区域受载时,腹板节点Z向位移明显减小;同时腹板中心区域节点位移量大小基本相等,较改进前得到有效改善。
设计了一种新型的真空柔性夹具,介绍了其主要结构和工作原理,较普通真空夹具有较好的通用性,适合各类型腔腹板的加工,可大大减少专用夹具的数量。
应用有限元分析软件对腹板不同点受力时腹板整体变形进行了数值模拟,研究表明真空夹具作为薄壁件的辅助支撑,能有效改善薄壁件的变形,对于厚度在3 mm以下的腹板,应增加辅助支撑来减小腹板的变形,同时真空腔边界间距不宜过大。

图6 吸盘改进后不同加载情况下腹板上各点Z向位移