摘要:以异形零件联接体为例,针对零件形状和不同工序的加工特征制作专用夹具,利用数控车床和排状刀夹的综合优势,把多道普车工序合并在一起加工,减少了安装与找正的辅助时间,提高了产品质量和生产效率。
在外协加工中, 遇到了异形零件的加工难题,通过认真分析,确定了加工方案,加工出合格产品,满足了用户急需。
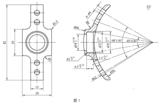
1. 零件结构和技术要求
零件结构如图1所示。

零件成品的技术要求为:抗拉强度≥580N/mm2,端面收缩率≥35%,周边与棱角全部制钝,直径25+0.130 mm,深度1.5+0.10 mm处保证是尖角, 刀尖圆角半径<0.2mm。
2. 加工工艺性分析
零件联接体加工存在以下技术难点:
(1)零件成品有机械性能要求,需采用合理的毛坯制造方式。
(2)此零件为异形零件,在批量加工中,如何通过夹具设计实现零件准确定位以及装夹方便。
(3)零件加工尺寸较多,如何在批量加工中,保证产品质量。
3. 技术措施
针对以上加工难点,采取以下技术措施:
(1)零件联接体采用45钢模锻加工成型,保证了零件外形尺寸和产品的机械性能。
( 2 ) 以模锻外形尺寸29mm×29mm和R62mm为定位基准,设计夹具,保证零件定位夹紧可靠。
(3)为了保证批量加工时的零件质量,采用经济型数控车床加工, 并设计专用的主轴夹具(见图2)和刀具夹具体(见图3),一个刀位同时装夹两把刀具,减少换刀动作造成的重复定位误差,把零件的内孔尺寸全部加工好,节省了刀位转换所需时间。
(4)为了保证4个φ 7mm孔的尺寸和位置要求,设计了专用钳工用钻孔夹具(见图4),保证了产品质量。

图2 数控车床用夹具

图3 刀夹结构

图4 钳工用钻φ 7mm孔夹具
4. 工艺方案
加工所采取的工艺方案如下:
(1)模锻,保证零件的外形尺寸。
(2)普车,使用阶台型钻头(见图5),保证内孔尺寸留精车余量1 mm。
(3)数控车,保证零件的内孔直径和长度尺寸。
(4) 钳工, 钻4 个φ 7mm孔,保证位置尺寸。
(5)钳工,去毛刺。

图5 普通卧式车床钻阶台孔夹具和钻头
5. 结语
异形零件的加工存在准确定位和夹紧的问题,为了降低加工难度,必须针对不同工序设计专用夹具,以满足其加工精度要求。采用数控加工和专用刀夹,图2 数控车床用夹具图3 刀夹结构图4 钳工用钻φ 7mm孔夹具把多道普车加工工序合并成一道数控车工序,提高了加工效率,降低了劳动强度,提高了经济效益。