摘要:对于螺杆、阀杆与销轴类零件,设计合理的工装夹具,实现多件加工,以满足批量高效生产的需要。

随着科技的进步,机械加工设备不断被优化改进,其加工能力、加工精度不断提高,机械加工工艺也随之向着高效精准的方向迈进,繁杂的工艺步骤逐渐被优化减少,零件的机械加工时间不断缩短,生产效率大幅度提高。但对于一些加工工艺简单的零件,按照传统加工方法单件加工,其主要工序加工时间远远小于工件的装夹时间、刀具更换时间等辅助时间,生产效率低、劳动强度大。而设计合理的工装夹具可实现多件或小批量生产,既减轻了工人的劳动强度,又大大缩短了辅助时间,在保证产品质量的同时提高了生产效率。
工装夹具设计的合理与否直接影响到工件的质量、生产效率和加工成本等。在实际生产中,工装夹具的设计主要依据加工工艺方案和操作人员的经验,应尽量减少装夹次数、降低换刀频率,一次装夹完成多道工序,节约辅助时间,提高生产效率。设计工装夹具时,在保证车床加工精度的同时,应本着结构合理、成本低廉及便于安装拆卸的原则。
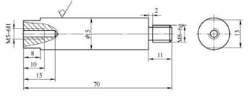
螺杆如图1所示,其加工工艺简单,且主要加工部位集中在两端(中间外表面不加工,最后喷涂防腐漆)。传统加工工艺铣两侧平面时,在三爪自定心卡盘上每次只能装夹一件,装夹辅助时间长,生产效率低。而螺杆的生产量大、工期短,单件加工可能会延误工期。设计专用工装后,一次可装夹8件,工装采用8个φ15mm沉孔定位,每两个孔中心割成通槽,槽宽2mm,形成半开口(见图2)。工装采用7A04超硬铝,强度高。因为螺杆中间的外表面粗糙度要求不高,装好工件以后,利用精密台钳夹紧力使工装产生微量弹性变形,夹紧工件,实现多件加工。采用多件装夹工装后,一次走刀可铣削4个侧面,刀具行程大大减小,生产时间、更换刀具所需时间明显缩短,生产效率显著提高。

图1 螺杆

图 2
阀杆如图4所示。传统的加工方法是在立式加工中心四轴上,用组合夹具一次装夹一件,进行两端槽、扁的铣加工。设计专用工装(见图5)后,在立式加工中心四轴卡盘上进行多件加工,每次装夹4件,完成铣槽、扁工序。工装采用四个V形槽作效率提高近3倍。
因精密台钳钳口高度有限,若螺杆长度>80mm,采用上述工装将无法借助精密台钳的夹紧力固定工件,因此,根据年生产量设计长螺杆专用工装夹具(见图3),该工装同样采用与螺杆直径相同的8个定位孔进行定位,8个定位孔下面分别铣出排屑槽,便于工装清理。该工装每次可装夹8件,每两件采用专用压板夹紧,实现多件加工。采用该工装后,一次走刀可铣削8个侧面,刀具移动行程短,同时辅助装夹为工件定位基准,每两件采用专用压板夹紧实现多件加工,降低换刀频率,提高生产效率。工装的一侧端面设计成六方,三爪自定心卡盘夹紧定位时方便找正,且定位可靠。采用多件装夹工装后,生产效率提高50%。

图 3

图4 阀杆

图 5
以往加工类似工件用组合夹具V形块进行加工,一般一次加工2件,辅助时间长,换刀频繁,影响加工效率。设计专用工装(见图6)后,采用8个V形槽作为定位基准,一个通体定位面作为长度方向定位基准,每次装夹8件,每两件用一个压板压紧,实现多件加工。该装夹方法为销轴提供了辅助支撑,可有效减小内应力变形。该工装在销轴类零件加工中具有通用性,可用于φ18~φ25mm的销轴定位,操作简单,装夹效率比改进前提高了近75%,总生产效率提高了约35%,每年加工此类零件近2万件, 经济效益十分可观。
针对螺杆、阀杆及销轴类零件钻孔、铣方、攻螺纹及倒角等加工过程中存在的换刀频率高、机床移动行程长、频繁装卸工件辅助时间增加及生产效率低等问题,研制多件装夹工装,变单件加工为多件加工,在保证质量的前提下,既降低了劳动强度,又提高了生产效率。多件装夹工装广泛应用于生产中,经济效益显著。

图 6