生产实践中,许多零件是由多个部分组焊,再经机械加工而成,而这些零件组焊后往往形状不规则,在实际加工中会出现定位基准不易确定,找正、装夹困难的情况。
蓄能器本体就是一种典型的组焊异形零件。本文通过分析该产品的零件结构及加工难点,制定加工工艺流程,确定加工方案,通过加工顺序和工艺流程的优化、生产设备的合理选用、加工工序的对比、工装的设计以及加工中工装设计的改进,达到一次性保证零部件所有加工要素、尺寸精度和几何公差的要求。
通过上述建立的渗流计算网格模型、定义的渗流计算参数以及设置的初始条件和边界条件,计算得出各工况的滑坡地下水浸润线,见图8和图9。
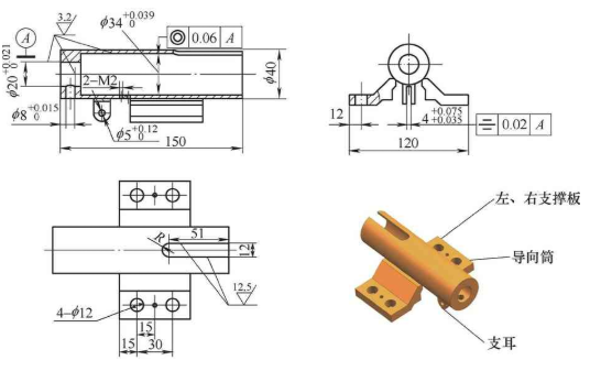
(1)零件结构。蓄能器本体由导向筒、左支撑板、右支撑板和支耳4部分组焊而成,其外形与飞机相似,如图1所示。

图1 蓄能器本体结构
底部支耳为“前轮”,左、右支撑板为两“侧翼”,中间导向筒回转部分为“机身”。导向筒为台阶式薄壁空心杆,长度150mm,外圆直径40mm,内孔直径34mm。左、右支撑板分别焊接在导向筒两侧且间距尺寸为120mm,支耳焊接在导向筒回转体正中间。
(2)加工难点。蓄能器本体为手工组焊件,焊接过程中各组件定位偏差较大,焊后存在焊接变形,且该件组焊完成后需进行表面喷砂处理,喷砂处理后产品表面粗糙度增大,导致机械加工过程中出现定位基准不易确定、找正和装夹困难的问题,很难保证尺寸加工精度和几何公差要求。
根据设计要求,如图1所示,在回转体0°、90°和180°方向分别都有加工要素,其中在支耳方向加工要素居多,且关键尺寸较为集中,因此将支耳设为0°方向。导向筒回转部分180°方向设计有长51mm、宽12mm槽,支耳处加工通槽宽为4+0.075 +0.035mm,在保留焊缝的前提下加工完成支耳外形,保证支耳厚度为12mm,并制成孔φ8+0.015 +0 mm和2-M2螺纹通孔,保证孔φ8+0.015 +0 mm、支耳通槽宽为4+0.075 +0.035m m且对称度为0.02mm;在90°方向支耳侧面进行孔φ5+0.012 +0 mm加工,并确保与孔φ8+0.015 +0mm尺寸26±0.1mm和导向筒中心位置32m m,并在左、右斜板处加工制成4-M5、4-φ12mm孔,保证相关位置尺寸65.5mm、45mm和45mm。
根据地震资料,通过反演提取出各项属性进行分析。由于反演存在多解性,所以需要邻井资料加以约束。由于传统流程成像能力不足,对复杂地表条件、干扰类型多样、速度变化剧烈的区域,信息搜集效果有限。采取的措施是增加对井信息的搜集,同时对构造质控等进行融合精细处理,对多方面的资料进行反复论证,这样可以有效地进行参数处理和方案选取,实现资料品质的提升。根据浅水流砂体的地球物理属性特征,结合区域内钻井数据的约束,可以识别并预测潜在浅水流砂体的分布特征。预测方式示意图见图2。
由于该零件支耳、孔φ8+0.015 +0 mm、2-M2螺纹通孔要与杠杆、锁轴、锁轴销和销轴组装后进行灵活可靠运动,要求无卡滞现象,如图2所示,所以图1中支耳外形12mm、槽4+0.075 +0.035mm、φ8+0.015 +0 mm和2-M2螺纹通孔、支耳侧面孔φ5+0.012 +0 mm成为该产品的加工难点。
锦鲤,本是一种高档观赏鱼。2018年国庆期间,支付宝官方微博推出寻找“中国锦鲤”转发抽奖活动,赠予中奖者包括旅行、餐饮、美容在内的“中国锦鲤全球免单大礼包”。这引发网友疯狂转发。“锦鲤”一词也因此走红,成为“好运”的象征。
高职酒店英语教学内容必须以酒店的核心工作和任务为基础,构建任务型教学模式,把教学和实践有机结合起来。可以按照以下内容来设计教学模块:核心岗位—典型作业任务—具体工作项目。

图2 蓄能器装配示意
1.锁轴销 2.锁轴 3.杠杆 4.销轴
因该零件在回转体多个方向有加工要素,且加工要素分散在4个组焊件中,必须合理安排加工流程,结合实际加工经验和该产品复杂结构,确定加工工艺流程。
(1)加工顺序。0°方向为第1加工点(加工支耳厚度12mm、支耳通槽宽4+0.075+0.035mm、制成孔φ8+0.015 +0 mm和2-M2螺纹通孔、制成左和右斜板处4-M5孔以及4-φ12mm孔),90°方向为第2加工点(加工支耳侧面孔φ5+0.012 +0m m,并确保与孔φ8+0.015 +0 mm、尺寸26±0.1mm和导向筒中心位置32m m尺寸要求),180°方向为第3加工点(长51mm、宽12mm环形槽)。
(2)加工方案。加工方案1:选用三轴立式加工中心,使用通用夹具平口钳作为夹具进行定位装夹,按上述加工顺序进行加工。用平口钳夹紧两端面,并在左、右斜板下端放置两个千斤顶作为辅助支撑进行加工。该种加工方案在实施后,其0°方向的多个关键加工要素无法保证尺寸精度及几何公差要求,导致与之配合的其他零部件无法正常使用,同时工步分散加工,需要多次找正、装夹零件,辅助时间浪费多、没有遵循基准统一原则,造成产品报废率较高,所以该方案不可行。
加工方案2:数控加工中心本身是一种功能较全的数控机床,它可以把铣削、镗削、钻削和攻螺纹等加工集中在一台设备上,一次装夹可以实现多工序集中加工,减少多次装夹带来的误差,利用加工中心“多工序集中”的优势,结合加工方案1的经验和方法改变加工思路,将数控“柔性化”思想引用到实际生产中。本加工方案选用立式四轴加工中心,制作台阶式心轴,利用上道工序已加工完成的导向筒内孔为定位基准,采用“一夹一顶法”,并在左、右支撑板下用千斤顶做辅助支撑,增强刚性,保证进行一次装夹满足回转部分所有加工要素,该加工方法装夹次数少,更有利于保证各表面间的位置精度,能够极大地减少辅助时间的浪费,从而大幅提高生产效率。
(1)工装设计。结合零件结构特点制作台阶式心轴,如图3所示。该工装包括夹紧部分、定位部分、配合部分、锁紧部分及顶尖辅助部分。该工装在制作时需保证一次加工完成,因为零件组焊、外形喷砂过后本身没有基准,工装做好后,将零件与工装配合装夹好,要在工装上作为Y方向的基准点来进行对刀。该工装在车削过程中圆柱度、同轴度需保证在0.02mm以内,其尺寸精度与零件导向筒内孔尺寸控制在间隙配合为最佳,表面粗糙度值控制在Ra=3.2μm以下。

图3 台阶式心轴示意
(2)工装使用中的改良。在该加工方案实施后,满足了加工要素的要求,尺寸精度和几何公差得到了有效保证,但在批量加工中,由于0°方向2-M2螺纹孔、φ8+0.015 +0 mm孔和180°方向长51mm、宽12mm的环形槽为通孔、通槽,所以在加工时会切削到工装表面,这样极大地损坏了工装的刚性、使用寿命,同时导致其表面粗糙度增大,产生毛刺,在与导向筒配合时严重划伤导向筒内孔,工装在使用中报废率增大,需要一直重复制作工装,极大地增加了工作量。所以在加工完第一件零件后,在工装的定位部分铣削一个90°定位面,如图4所示,将此平面作为90°方向的基准,在每次装夹时用弯尺靠平该基准面,工装便可以避免零件在加工中出现圆周方向不同程度的切削损坏,达到重复使用的效果。

图4 心轴改进示意
综合上述两种加工方案的实施和对比,采用方案一时工步分散加工需要多次找正、装夹零件,辅助时间多、生产周期较长,50件产品需要6个工作日来完成,且报废率高达60%。采用方案二时使用心轴工装进行“一夹一顶”法加工,一次装夹满足所有加工要素的要求,装夹次数少、能够极大地减少辅助时间的浪费,从而更有利于保证各表面间的位置精度,50件产品需要3个工作日完成,生产效率提高50%,产品合格率高达100%。
本文针对异形管类组焊零件的特殊形状和复杂结构,在加工时装夹和找正难度大,无法满足高精度、高质量设计要求的问题,通过设计心轴工装,有效地解决了实际加工中的生产瓶颈,产品质量有效提高,生产效率大幅提升。同时,该心轴为类似产品的加工寻找了有效的加工思路,成为四轴加工中心“一夹一顶”法的重要工装。