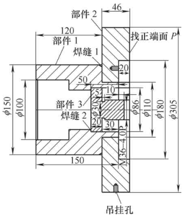
图1所示为旋转套筒组合件,该零件具有尺寸精度要求高、薄壁易变形和装配形位公差要求高的特点,且产品材料为难加工的A100钢,该产品是飞机起落架转弯结构中的重要零件。起落架在装配时,经常出现转弯性能达不到装配要求的情况,经分析主要问题在于旋转套筒和扇形齿轮内、外圆不同轴,导致与外筒等发生严重干涉。通过反复论证,找到了解决旋转套筒组合件超差的方法。

图1 旋转套筒组合件

图2 镗工夹具装夹方式
(1)基体加工。旋转套筒热处理后,车工先加工外圆初基准,以外圆初基准来找正加工内孔尺寸,再以内孔尺寸加工外圆φ221f7、φ216h8等尺寸。由于找正基准不统一,且能找正的基准范围小于加工区域,导致误差累积,造成加工后配合部位内孔与外圆不同轴,部分工艺尺寸需要借加工,很难保证产品加工质量。
(2)组合件加工。钳工冷缩法安装完衬套后,衬套内孔及端面留有0.5mm的加工余量,需采用图2所示装夹方式进行内孔及端面的精加工,但此时只能找正有加工余量的衬套内孔,无法复查零件外圆基准情况,而衬套冷缩安装有一定变形,导致基准误差的累积,使产品的形位公差要求难以保证。
抽查3件组件进行计量,以内孔φ150H8、φ155+0.10 +0.04mm为基准,在基准N、B圆度保证的情况下,相关尺寸同轴度如附表所示。
由附表可见,零件组合件状态下,同轴度尺寸超差严重,无法满足装配需求,导致部分旋转套筒零件报废。该产品仅模锻件23万元/件,给公司造成较大的经济损失。为解决此类问题,制定了加工工艺解决方案,并对辅助夹具进行重新设计和应用。
针对产品超差问题,分析旋转套筒的加工流程及加工尺寸,选择以基体底孔φ155+0.1+0mm尺寸为基准尺寸,使用膨胀心轴定位夹具,统一基体及组合件加工定位基准,尽可能减少误差累积,制定以下改进方案。
(1)夹具设计及制造。为了提高φ155+0.1 +0mm孔与心轴的定位精度,采购了肯纳公司φ155mm膨胀心轴(见图3),由于该膨胀心轴定位精度高、重复装夹误差小,依据膨胀心轴使用要求自行设计、制造膨胀心轴基础板(见图4),用来安装φ155mm膨胀心轴(见图5)。
夹具要求:φ155mm膨胀心轴定位部分与基础板φ305mm同轴度≤0.02mm,φ155mm定位心轴与底面的垂直度≤0.02mm,并保证在φ305mm与找正端面P跳动≤0.03mm时,φ155mm定位心轴跳动≤0.01mm。
(2)基体加工工艺改进。热处理后首先找正零件外圆基准,加工如图6所示的右侧φ155H9(
)mm内孔及端面,再以φ155H9(+0.1 +0)mm内孔及端面定位,使用φ155mm膨胀心轴加工零件左侧内、外圆尺寸。这样加工既保证了加工基准的统一,又保证了零件装夹、找正的准确和便捷。
车工使用夹具如图7所示,数控镗使用夹具如图8所示,均只需一次性找正好夹具,仅对零件进行更换即可,产品的装夹找正变得很方便,产品质量也得到了有效控制。
检测结果 (单位:mm)

零件编号 φ150H8圆度 φ155+0.10+0.04mm圆度φ221f7处同轴度φ216h8处同轴度φ196-0 -0.2mm处同轴度1 0.006 0.003 0.11 0.12 0.11 2 0.007 0.004 0.14 0.14 0.12 3 0.005 0.003 0.08 0.09 0.07

图4 膨胀心轴基础板

图5 夹具

图3 膨胀心轴装配图

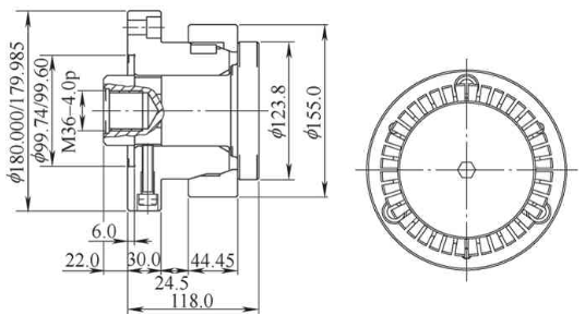
图6 旋转套筒尺寸
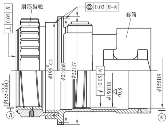
(3)组合件加工工艺改进。如图9所示,基准N处衬套先不安装,用于φ155mm膨胀心轴装夹定位,复查φ221f7处外圆跳动≤0.02mm,车工先加工衬套孔φ155+0.10 +0.04mm、φ150H8(+0.063 +0 )mm及衬套端面;钳工再安装基准N处衬套,以前面车工加工的衬套孔φ155+0.10 +0.04mm定位,使用φ155mm膨胀心轴加工基准N处φ150H9(+0.1 +0)mm衬套孔及衬套端面。保证了衬套孔加工与基体加工基准的统一,零件装夹、找正准确和便捷。
通过改进工艺和夹具,使旋转套筒组合件质量完全满足图样要求,产品质量稳定,加工效率也大幅提高,彻底解决了该起落架转弯性能不易达到装配要求的难题,保证了转弯机构运动的灵活性,且提高了该结构零件的互换性,减少了零件的选配和修配环节,为起落架同构型的制造提供了参考。

图7 车工加工

图8 数控镗加工

图9 基准N孔处不压装衬套示意