[讲述]一、低压电器的基本知识
电器:电能的生产、输送、分配与应用起着控制、调节、检测和保护的作用。电器:根据外界的信号和要求,自动或手动接通或断开电路,断续或连续地改变电路参数,以实现对电路或非电路对象的切换、控制、保护、检测、变换和调节用的电气设备。
电器定义:一种能控制电能的设备。
[讲述][比较](一)低压电器的分类
1.按工作电压等级分类
低压电器:用于交流1200V、直流1500V以下电路起通断、保护、控制或调节作用的电器。
高压电器:交流1200V以上、直流1500V以上。
2.按电器的动作原理分:手动电器和自动电器。
3.按电器的性能和用途分:控制电器、主令电器、保护电器、执行电器、配电电器。
4.按工作原理分:电磁式电器和非电量控制电器。
5.按有无触点分:有触点电器和无触点电器。
(二)电器的作用
控制、保护、测量、指示、转换。
[讲述]二、常用低压配电电器
[实物展示](一)低压刀开关
是一种低压手动非电量控制配电(控制)电器
结构和符号
2.作用
1)电源隔离、配电
2)控制非频繁(每小时不能大于15-20次)地接通和分断容量较小的低压配电线路。
3)安装在控制箱的右上方并且上方不能安装其他电器,接线时应将电源线接在上端,负载接在下端,这样拉闸后刀片与电源隔离,可防止意外事故发生
4)选用
刀开额定电流 =(1.5—2.5)电机额定电流
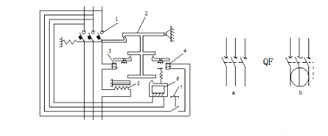
(二)低压断路器
1. 结构和符号
低压断路器也称为自动空气开关,由操作机构、触点、保护装置(各种脱扣器)、灭弧系统等组成。

1.主触头2.自由脱扣器 3.过电流脱扣器 (a)低压断路器 (b)漏电保护器
4.分励脱扣器5.热脱扣器6.失压脱扣
7.停止按钮
2. 低压断路器的作用
是低压配电网中一种重要的保护电器。
1)可用来接通和分断负载电路,也可用来控制不频繁起动的电动机;
2)被广泛应用于过载、短路、欠电压、漏电等保护。
3. 低压断路器的选用
1)断路器的额定电压>被保护线路的额定电压;
2) 断路器的额定电流>被保护线路的计算电流;
3) 极限分断电流>线路的最大短路电流的有效值。
[讲述]三. 常用低压保护电器
(一) 熔断器
2.熔断器的作用
熔断器是一种简单而有效的保护电器。在电路中主要起短路保护作用
3.熔断器的选用
1)保护无起动过程的平稳负载(照明线路、电阻、电炉等)
熔体额定电流≥负荷额定电流;
2)保护长期工作的电机
熔体额定电流≥ (1.5~2.5) 电动机额定电
(二)热继电器
1. 热继电器的结构和符号
热继电器主要由热元件、双金属片和触点组成,热元件由发热电阻丝做成。双金属片由两种热膨胀系数不同的金属辗压而成,当双金属片受热时,会出现弯曲变形。使用时,把热元件串接于电动机的主电路中,而常闭触点串接于电动机的控制电路中。
· 2. 热继电器的作用
热继电器(FR)主要用于电力拖动系统中电动机负载的过载保护。
电动机在实际运行中,常会遇到过载情况,但只要过载不严重、时间短,绕组不超过允许的温升,这种过载是允许的。但如果过载情况严重、时间长,则会加速电动机绝缘的老化,缩短电动机的使用年限,甚至烧毁电动机,因此必须对电动机进行过载保护。
3.热继电器的熔断选择
热继电器整定电流=(0.95~1.05)电动机额定电流
[讲述]四.主令电器
控制系统中,主令电器是一种专门发布命令、直接或通过电磁式电器间接作用于控制电路的电器。常用来控制电力拖动系统中电动机的起动、停车、调速及制动等。
常用的主令电器有:控制按钮、行程开关、接近开关,万能转换开关、主令控制器及其它主令电器如脚踏开关、倒顺开关、紧急开关、钮子开关等。
(一)控制按钮
1.控制按钮的作用
控制按钮是一种结构简单、使用广泛的手动主令电器,它可以与接触器或继电器配合,对电动机实现远距离的自动控制(停车、起动按钮),用于实现控制线路的电气联锁(复合按钮)。
2. 控制按钮的结构和符号
按下按钮时,先断开常闭触点,后接通常开触点;按钮释放后,在复位弹簧的作用下,按钮触点自动复位的先后顺序相反。通常,在无特殊说明的情况下,有触点电器的触点动作顺序均为“先断后合”。
[分析]

3.按钮的熔断选择
按钮选择的主要依据是使用场所、所需要的触点数量、种类及颜色。
[讲述](二)行程开关(限位开关)
1.行程开关的作用
行程开关是一种根据运动部件的行程位置而切换电路的电器,它的作用是控制行程、进行终端限位保护。
行程开关的结构和符号
行程开关按其结构可分为直动式、滚轮式、微动式和组合式。
[图片展示]

(三)接近开关
1. 接近开关的作用
接近式位置开关是一种非接触式的位置开关,简称接近开关。它由感应头、高频振荡器、放大器和外壳组成。当运动部件与接近开关的感应头接近时,就使其输出一个电信号,从而起到“开”、“关”的控制作用。用途已远超出一般行程控制和限位保护,可用于高速计数、测速、液面控制、检测物体的存在、检测零件尺寸等许多场合。
2.接近开关的结构和符号
接近开关分为电感式(LJ1、LJ2等系列)和电容式(LXJ15、TC等系列)两种,电感式接近开关只能用于检测金属体,电容式接近开关既能检测金属,又能检测非金属及液体。
[图片展示]

(四)红外线光电开关
1. 红外线光电开关作用
红外线光电开关也是一种非接触式的开关,当运动部件遮挡或反射红外线时,就使其输出一个电信号,从而起到“开”、“关”的控制作用,光电开关和接近开关的用途已远超出一般行程控制和限位保护,可用于高速计数、测速、液面控制、检测物体的存在、检测零件尺寸等许多场合。
2. 红外线光电开关的结构和符号

红外线光电开关对射式和反射式两种。
(五)万能转换开关
1. 万能转换开关的作用
万能转换开关是一种多档式、控制多回路的主令电器。万能转换开关主要用于各种控制线路的转换、电压表、电流表的换相测量控制、配电装置线路的转换和遥控等。万能转换开关还可以用于直接控制小容量电动机的起动、调速和换向。
2.万能转换开关的结构和符号
常用产品有LW5(可控5.5kW及以下的电动机)和LW6(2.2kW及以下的电动机)系列,手柄的操作方式可分为自复式(手柄自动返回)和自定位式(不能自动返回)两种。
[结构分析]

(六)主令控制器
1. 主令控制器的作用
能频繁的对绕线式异步电动机的起动、制动、调速及换向实行远距离控制,广泛用于各类起重机械的拖动电动机的控制系统中。
2.主令控制器的结构和符号
与万能转换开关相比,它的触点容量大些,操纵档位也较多。图形符号与万能转换开关相似。
[讲述]五. 常用低压控制电器
(一)接触器
1.接触器的作用
可频繁自动地接通或分断交(交流接触器)直(直流接触器)流大电流电路,实现远距离控制,具有低电压释放(失、欠压)保护功能,是自动控制线路中使用最广泛的电器元件。
2.接触器的结构和符号
[结构、代号分析]

接触器的选用
线圈电压 =电源电压
主触头额定电流≥负荷额定电流
(二)继电器
继电器的作用
继电器是根据某种输入信号的变化,接通或断开控制电路,实现自动控制和保护电力装置的自动电器。
1.电磁式继电器
1)中间继电器
作用:“放大”触点、电压、电流
[图片展示][实物展示]

作用:电压继电器反映的是电压信号,可分为过电压继电器和欠电压继电器。用于系统的电压(过电压、欠电压)保护和控制,其线圈并联接入主电路,感测主电路的线路电压,触点接于控制电路,为执行元件。
2)电压继电器
作用:电压继电器反映的是电压信号,可分为过电压继电器和欠电压继电器。用于系统的电压(过电压、欠电压)保护和控制,其线圈并联接入主电路,感测主电路的线路电压,触点接于控制电路,为执行元件。

3)电流继电器
作用:电流继电器反映的是电流信号,可分为过电流继电器和欠电流继电器。用于系统的电流(过电流、欠电流)保护和控制,其线圈串联接入主电路,感测主电路的线路电流,触点接于控制电路,为执行元件。

2. 时间继电器
时间继电器是一种利用电磁原理或机械动作原理实现触点延时接通或断开的自动控制电器,其种类很多,常用的有电磁式、空气阻尼式、电动式和晶体管式等。广泛用于电力拖动、顺序控制及各种生产过程的自动控制中。
[比较区分]

3.其它非电磁类继电器
非电磁类继电器的感测元件接受非电量信号(如:温度、转速、位移及机械力等)。常用的非电磁类继电器有:热继电器、速度继电器、干簧继电器、永磁感应继电器等。
速度继电器
速度继电器的轴与电动机的轴相连接,一般情况下,速度继电器的触点,在转速达120r/min时能动作,100r/min左右时能恢复正常位置。
