汽车变速箱导块是典型的叉类异形零件,在变速箱工作过程中,它与拨叉配合使用完成挂挡动作。它的体积不大,但是形状复杂,各项精度要求较高,包括面到孔中心的距离、孔与拨槽的形位公差等。使用三坐标检测,设备少且效率低,如使用专用综合检具,能够一次将所有关键尺寸快速准确检验,检验效率高、方法简单、易于操作,适用于批量生产。
综合检具设计一般可以分为3个步骤:①分析零件尺寸,确定基准面、定位面、关键尺寸及测量方式。②设计检具结构,确定检具的测量基准、定位基准及测量方式。③计算各工作部位尺寸。下面以一种导块为例,介绍导块类零件综合检具的设计方法。
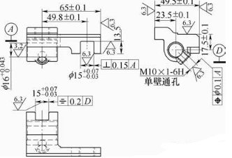
如图1所示,根据零件形状,考虑其工作状态,现确定综合检具检测尺寸如下:距离尺寸分别为(65±0.1)mm、(23.5±0.1)mm和(17.5±0.1)mm,垂直度为0.15mm,对称度为0.2mm。

图 1
为了操作方便,将零件立起来检测,夹具结构如图2所示。

(b)
图 2
1.插销 2.配磨调整垫 3、4、6.测量销 5.定位心轴
(1)用零件φ 16mm孔(基准A)定位,确定中心;用插销通过螺纹M10×1—6H联接限制其旋转自由度。
(2)若测量销3通过零件,则垂直度为0.15mm时合格。
(3)测量销4放在支撑板上,零件顶面不得高于支撑板,并用0.2mm塞尺检测工件与测量销4的间隙。若0.2mm塞尺不通过,则距离尺寸为65mm时合格。
(4)Ⅰ处和Ⅱ处与工件端面距离支撑块尺寸一样,用测量销4测量其尺寸,通端通,止端止,则距离尺寸分别为23.5mm和17.5mm时合格。
(5)若测量销6通过零件,则对称度为0.2mm时合格。
如图3所示,此综合检具用插销定位工件,插销顶部采用锥度联接,定位衬套装在定位心轴内,插销螺纹旋入时,插销锥面与定位衬套锥面贴合,达到定位目的。
(a)

(b)
图 3
此检具制作时,需保证各端面至定位心轴的距离。如图4所示,通过配磨调整垫,保证衬套孔中心至定位心轴安装插销孔的距离为(49.8±0.01)mm;通过配磨支撑块端面,保证支撑块上端面至定位心轴安装插销孔的距离为(65±0.01)mm;通过配磨衬套端面,保证衬套端面至定位心轴尺寸为27.4mm、33.5mm及其形位公差。

图 4
测量工件端面至孔中心距离时,此综合检具需采用基准转换,将孔基准转换为面基准,降低了检测难度,大大提高了检测效率。
M10×1mm螺纹孔与A孔夹角为45°,检具设计时,将定位心轴削扁,使削扁面与定位衬套孔成45°夹角(见图5);检具安装时,只需将削扁面与定位基准面平行,降低了检具制造的难度。

图 5
此综合检具使用后,能够一次性将所有关键尺寸快速准确检验,降低了劳动强度,提高了检测效率。检具中部分测量和定位尺寸采用经验值,可以满足装配要求,其定位及导向尺寸公差予以理想状态,不计入测量范围。