1. 概要
IGBT作为大功率电力电子器件广泛应用于各种工业设备中。为了满足安全要求,这些设备在电气设计和生产过程中要遵循相应的规范。耐压测试是对安全设计最为重要的检测和评估手段,又被称为高压测试,隔离测试,抗电强度测试。那么,针对不同应用的IGBT装置,测试电压大小该如何确定?测试时间多长?使用交流电压测试好还是直流电压测试好?带着这些问题,我们一同了解下该如何实施IGBT装置的绝缘耐压测试。
1.1 耐压型式试验
耐压型式试验用来验证安全间距和绝缘是否具备足够的抗电强度来承受可能出现的过电压。通过耐压型式试验还可以检验设备在整个生命周期内是否可以安全工作。在测试中,设备在整个生命周期承受的电气应力被等效为短时间内施加的高压,经验公式如下:

Uoperating voltage: 工作电压
Tlifetime: 设备寿命
Utest voltage: 测试电压
Ttest time: 测试持续时间
在一些安规标准中,上面的经验公式被用来确定耐压型式试验的测试条件(指数n=6)。一般会以设备预期寿命20年来计算对应的测试电压。以此计算,一台工作电压为230V的设备的耐压型式试验测试条件应为3400V,持续一分钟。
需要注意的是,经过耐压型式试验测试过的设备绝缘会完全老化,不能再次使用。因此被测样品应该在测试后做报废处理。
1.2 常规耐压测试(出厂耐压测试)
与型式试验不同,常规耐压测试的目的是确认设备的安全间距和绝缘没有在生产过程中降低或损伤,筛选出绝缘性能有缺陷的材料。为了确保所有绝缘相关的生产失效被检出,耐压测试应该被安排在设备的所有装配流程完成之后。
常规耐压测试的标准应该既可以检出安全绝缘相关的失效,同时又最小程度的造成设备的绝缘老化。基于章节1.1的经验公式,典型的常规耐压测试对于受检设备的寿命影响应该小于0.000001%。
因为耐压测试会对绝缘性能造成降级。当必须要重复进行耐压测试时,第二次测试的电压幅值需要适当降低,通常安规标准给出的建议是第一次测试幅值的80%。
虽然有些标准中给出的测试时间较长,如60秒,但典型的常规耐压测试持续时间是1秒或者3秒。对于半导体器件UL1557中有建议通过增加测试电压的方式来缩短测试持续时间。比如额定电压测试60秒可以等效为120%额定电压测试1秒。赛米控产品的耐压测试条件通常会在数据手册中给出(Visol)。如果标注的测试持续时间为5秒或60秒,则为耐压型式试验条件;如果标注的测试持续时间为1秒或3秒,则为常规耐压测试条件。
2. 耐压测试
2.1 测试设备
市面上有很多品牌的耐压测试设备,主要区别在于:
最高施加电压能力
最大施加电流能力
交流或直流电压选项
这些设备基本都可以满足EN61180中对耐压测试设备相关的要求。除了稳定的电压质量,耐压测试设备的短路输出电流能力要高于200毫安。UL1557标准中规定,500VA的变压器应该足以维持测试要求的电压。
2.2 测试条件
一般情况下,耐压测试采用50Hz或60Hz的交流电压进行测试。如果被测电路中含有电容,建议以等同于标注交流电压峰值的直流电压进行测试。值得注意的是,由于被测绝缘物质的抗电特性不同,直流电压并不能完全等效于交流电压。测试电压的极性对闪络电压会有影响,所以直流电压测试应变换正负极测试两次。带有较大面积铜底板的半导体模块的陶瓷基板两面间具有相对大的寄生电容(可高达10uF),因此建议使用直流电压进行耐压测试。在出现故障时,直流电流对于人心脏损伤风险更低,出于人身安全的考虑,在生产线上建议使用直流电压进行耐压测试。另外,按照安规规定,交流耐压测试的漏电流小于3毫安时可以不需采取额外的安全措施。而对于直流耐压测试,漏电流的要求是低于12毫安无需采取额外的安全措施。如果漏电流高于这些规定值,很多国家都强制要求测试在特制测试房或有警示灯提示的密闭空间进行。
有些标准规定了耐压测试的环境条件,典型条件为环境温度为15°C到35°C,相对湿度45%到75%,大气压在860hPa到1060hPa之间。
2.3 被测设备
耐压测试的被测设备可能包含彼此电气隔离的几部分电路,这些电路内或电路之间的绝缘有以下分类:
功能绝缘:在电路内部分隔了不同电位,但是不是安全相关的隔离;
基本绝缘:隔离了与电网相连的电路和接地的裸露部件。因为裸露部件的接地,基本绝缘击穿后不会导致人身安全受损;
保护性(双重/加强)绝缘:隔离了与电网相连的电路和不接地的裸露部件或控制电路。这类绝缘击穿后会使得操作人员可能接触的控制电路带有电网电位,具有致命的危险。
功能绝缘不需要进行耐压测试,只有与安全性相关的基本绝缘和加强绝缘需要通过耐压测试来验证隔离性能。
2.4 测试流程
大部分电气设备标准要求进行耐压测试时满足以下条件:
被测电路(设备)的外部端子要连接在一起;
设备中的断路器(接触器)应该处于闭合状态或被旁路;
电压阻断类器件(如整流二极管)的端子要连接在一起。
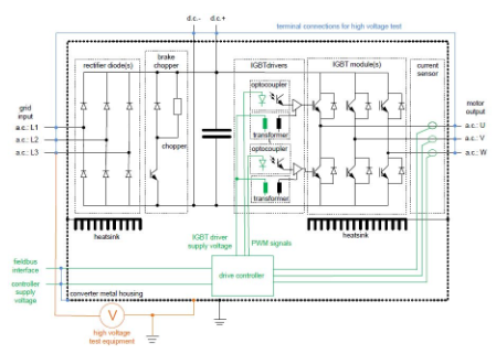
下图展示了一台变流器的耐压测试连接示例:

图1 耐压测试中变流器所有端子的连接示例
如果被测设备包含相互间具有基本绝缘或是双重绝缘的几部分电路,那么就需要对每部分绝缘都进行耐压测试。耐压测试电压等级相同的电路可以被连接在一起测试。由于测试要求的电压不同,耐压型式试验和常规耐压测试的电路连接可能会有所不同。
下图是为了减少耐压测试次数,对一台变流器的不同功能电路端子连接示例:

图2 减少耐压测试次数的变流器功能电路连接示例
示例中,连接到电网的功率部分对地具有基本绝缘能力。标绿色部分是驱动控制电路,其与功率部分具有加强绝缘隔离,驱动控制电路对地电压低于50V。如果该设备的基本绝缘和加强绝缘测试电压和持续时间相同,则可以将驱动控制部分与地连接在一起对功率部分做耐压测试;如果测试电压不同,这三部分电路(地,功率部分,驱动控制部分)就需要分别进行耐压测试。
IGBT功率模块的温度传感器通常对功率部分只有功能绝缘能力。这意味着耐压测试时温度传感器应该与功率部分连接在一起,但大部分的应用场景里该温度传感器是与驱动控制部分电路连接在一起的。即便这种连接通过了耐压测试,也并不意味着温度传感器与功率部分的绝缘满足加强绝缘。
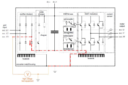
如果外部端子没有按照要求相互短接在一起,半导体器件有可能在耐压测试故障时损坏。耐压测试的电压等级通常会比半导体器件的阻断电压高,一旦测试中某处直流电压母线上绝缘失效且测试电压是连接在交流端子上,则本例中全部的测试电压会施加在二极管上导致其电压击穿,如下图所示。

图3 耐压测试中绝缘失效导致半导体器件过压的示例
在进行耐压测试之前,设备中的浪涌保护器件必须被断开。如果施加测试电压的设备端子间并联了大容量的电容,进行交流耐压测试可能会很困难,甚至是不可能完成的。因为耐压测试设备对电容的充电电流可能会超过设定的允许漏电流阈值。对于这种情况,可以在进行耐压测试前断开并联电容。如果无法断开电容,建议使用直流电压进行测试。
表1中给出了部分功率电子相关标准中对耐压测试的要求:
电气传动设备[3][23]
不间断电源(UPS)[13]
光伏电源系统[14]
动力装置[7][10][15][16][22]
铁路应用[6][17]
信息技术[18]
功率半导体[8][20]
表1中数据对1000V以下的基本绝缘有效。
表1 不同标准规定的耐压测试条件



2.5 测试电压幅值
耐压测试的电压幅值与被测设备的工作电压相关。基于此原因,设备与电网间的接法就至关重要。在星形接法中(TN),相电压小于线电压,因此设备绝缘的电压应力要比同样电压等级的三角形接法(相电压与线电压相等)要小。
表2给出了数个相关标准中对于星型接法设备基本绝缘的测试电压。对于常见的典型电网电压,分别列出了型式试验和常规测试适用的测试电压幅值。
表2 不同标准中对于星型接法设备的基本绝缘规定的交流电压测试值

不同标准中规定的测试电压差别很大(最多差三倍)。半导体模块生产厂家通常会在模块的绝缘设计时考虑满足所有相关标准中的最高要求。
表3给出了数个相关标准中对于星型接法设备保护性绝缘的测试电压。对于常见的典型电网电压,分别列出了型式试验和常规测试适用的测试电压幅值。
表3 不同标准中对于星型接法设备的保护性绝缘规定的交流电压测试值

半导体模块本身不具备安全隔离功能,因此上表给出的电压只适用于使用了半导体模块的设备测试。测试电压必须持续增加到最大值且维持一段时间。某些标准定义了维持时间,如最短5秒。
2.6 测试失效
不同标准中对于耐压测试中失效模式的描述大致如下:
电气击穿:受测绝缘或隔离在测试中出现失效导致放电电流直接通过,两端测试电极电压接近于零;
破坏性放电:介质击穿后形成的电弧通路;
跳火:气态或液态介质中发生的破坏性放电;
闪络:气态或液态媒介中的固态介质表面发生的破坏性放电;
穿刺:固态介质发生的破坏性放电。
不同标准中对耐压测试失效的定义并不一致,有些甚至相互冲突。一般来说满足以下条件就认为通过耐压测试:
没有破坏性放电发生,漏电流不超过规定值;
没有击穿或绝缘击穿发生;
测试电流没有以不受控方式增长。电晕放电或单次的瞬时闪络不认为是绝缘击穿。
3 耐压测试与其他隔离测试的区别
3.1 脉冲电压测试
用来模拟大气中出现的过压,包括由于设备开关动作引起的过压。通常用来验证器件的安全间距或固态绝缘具有足够的抗电强度。这种测试的优点是测试时间非常短,施加在绝缘上的电气应力很小,不会造成被测器件的绝缘老化。
固态绝缘的抗电特性与安全间距不同,随着施加电气应力时间增加,固态绝缘的抗电能力会显著下降。因此,脉冲电压测试不能够替代耐压测试来验证固态绝缘的抗电能力。
3.2 局部放电测试
确认器件中的固态绝缘在规定的电压范围内没有局部放电现象。在安全间隙中未引起击穿的局部放电可以忽略。局部放电测试施加电压通常会低于大气中可能出现的过压幅值。
3.3 绝缘电阻测试
被用来评估设备的绝缘状况。一般在设备的日常维护中使用此方法。通过一段时间(数年)的监测记录,前后测试结果的比较用来评估设备绝缘是否有老化。由于端子间电压很低,绝缘电阻测试设备无法用来评估设备中安全间距的降级。