
一、什么叫外圆磨
外圆磨床分为普通外圆磨床和万能外圆磨床,在普通外圆磨床上可磨削工件的外圆柱面和外圆锥面以及台阶轴端面等,在万能外圆磨床上还能磨削内圆柱面和内圆锥面和端面。外圆磨床的主参数为最大磨削直径。
外圆磨床以两顶心为中心,以砂轮为刀具,将圆柱型钢件研磨出精密同心度的磨床(又叫顶心磨床或圆筒磨床)。
二、外圆磨床的特点
1、砂轮主轴轴承采用锥形成型油楔动压轴承、砂轮主轴在低速是仍具有高的轴承刚度。
2、砂轮架导轨采用交叉滚柱刚导轨,半自动进给机构采用回转式油缸实现。
3、尾架轴系具有无间隙刚度的特点,电器箱,液压箱冷却箱与机床分离。
4、富有磨削指示仪及冷却液过滤器。
5、头架速度才有那个交流变频无级调速。
6、电气采用可编程序控制器(pc),具有自诊断功能、维修十分方便
7、可选配自动测量仪。
三、外圆磨床的用途
外圆磨床主要用于成批轴类零件的端面、外圆及圆锥面的精密磨削,是汽车发动机等行业的主要设备。也适用于军工、航天、一般精密机械加工车间批量小,精度要求高的轴类零件加工。
⑴用于纺织纺纱行业,粗细纱机,并条机,精梳机,加弹机等上皮辊加工。
⑵用于生产制造办公通讯设备行业,传真机,复印机,打印机,刻字机等上胶辊加工。
⑶适用于印刷,食品,医药行业自动输送装置上皮辊,塑料加工。
四、外圆磨床加工精度的影响
1:磨头、头架、尾座的等高度对工件尺寸精度的影响。磨头、头架、尾座的等高度误差将使头架、尾座中心连线与砂轮主轴轴线在空间发生偏移,此时磨出的工件表面将是一个双曲面。
2:头架、尾座中心连线对磨头主轴轴线在水平面内的平行度误差对工件尺寸精度的影响。当发生该项误差时,外圆磨床磨出的工件外形将是一个锥体,即砂轮成角度磨削,表面有螺旋形磨纹。
3:磨头移动相对于机床导轨垂直度误差对加工精度的影响。这项误差的最终结果是使主轴轴线与头架、尾座中心连线发生偏移,在磨轴肩端面时,将造成轴肩端面与工件轴线的垂直度.
五、外圆磨床结构
下图是M1432A型万能外圆磨床的外形图。M1432A编号的意义是:M—磨床类;1—外圆磨床组;4—万能外圆磨床的系别代号;32—最大磨削直径的1/10,机最大磨削直径为320mm;A—在性能和结构上作过一次重大改进。
M1432A型万能外圆磨床外观图
1—床身 2—头架 3—工作台 4—内圆磨具
5—砂轮架 6—滑鞍 7—尾座 8—脚踏操纵板 9—横向进给手轮
1.磨床的主要部件
(1)床身床身1是磨床的基础支承件,在它的上面装有砂轮架5、工作台3、头架2、尾座7及横向滑鞍等部件,使这些部件在工作时保持准确的相对位置。床身内部用作液压油的油池。
(2)头架头架2用于安装及夹持工件,并带动工件旋转,头架在水平面内可逆时针方向转 90°。
(3)内圆磨具内圆磨具4用于支承磨内孔的砂轮主轴,内圆磨具主轴由单独的电动机驱动。
(4)砂轮架砂轮架5用于支承并传动高速旋转的砂轮主轴。砂轮架装在滑鞍6上,当需磨削短圆锥面时,砂轮架可以在水平面内调整至一定角度位置(±30°)。
(5)尾座尾座7和头架2的顶尖一起支承工件。
(6)滑鞍及横向进给机构转动横向进给手轮9,可以使横向进给机构带动滑鞍6及其上的砂轮架作横向进给运动。
(7)工作台工作台3由上下两层组成。上工作台可绕下工作台的水平面内回转一个角度(±10°),用以磨削锥度不大的长圆锥面。上工作台的上面装有头架2和尾座7,它们可随着工作台一起,沿床身导轨作纵向往复运动。
2.机床的用途
下面给举例示范:M1432A型机床是普通精度级万能外圆磨床,经济精度为IT6~IT7级,加工表面的表面粗糙度值Ra可控制在1.25~0.08μm范围内。万能磨床可用于内外圆柱表面、内外圆锥表面的精加工,虽然生产率较低,但由于其通用性较好,被广泛用于单件小批生产车间、工具车间和机修车间。
六、常见外圆磨削方法
1.磨削外圆
工件的外圆一般在普通外圆磨床或万能外圆磨床上磨削。外圆磨削一般有纵磨、横磨和深磨三种方式。
外圆的磨削
(1)纵磨法如上图所示,纵磨法磨削外圆时,砂轮的高速旋转为主运动no,工件作圆周进给运动的同时,还随工作台作纵向往复运动,实现沿工件轴向进给fa。每单次行程或每往复行程终了时,砂轮作周期性的横向移动,实现沿工件径向的进给fr,从而逐渐磨去工件径向的全部留磨余量。磨削到尺寸后,进行无横向进给的光磨过程,直至火花消失为止。由于纵磨法每次的径向进给量fr少,磨削力小,散热条件好,充分提高了工件的磨削精度和表面质量,能满足较高的加工质量要求,但磨削效率较低。磨具磨床磨削纵磨法磨削外圆适合磨削较大的工件,是单件、小批量生产的常用方法。
下表纵磨法的特点
(2)横磨法如图所示,采用横磨法磨削外圆时,砂轮宽度比工件的磨削宽度大,工件不需作纵向(工件轴向)进给运动,砂轮以缓慢的速度连续地或断续地沿作横向进给运动,实现对工件的径向进给fr,直至磨削达到尺寸要求。
其特点是:充分发挥了砂轮的切削能力,磨削效率高,同时也适用于成形磨削。然而,在磨削过程中砂轮与工件接触面积大,使得磨削力增大,工件易发生变形和烧伤。
另外,砂轮形状误差直接影响工件几何形状精度,磨削精度较低,表面粗糙度值较大。因而必须使用功率大,刚性好的磨床,磨削的同时必须给予充分的切削液以达到降温的目的。使用横磨法,要求工艺系统刚性要好,工件宜短不宜长。短阶梯轴轴颈的精磨工序,通常采用这种磨削方法。
如表 横磨法的特点
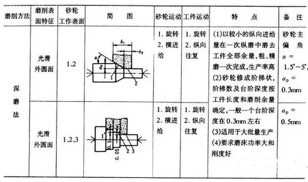
(3)深磨法如图1所示,深磨法是一种比较先进的方法,生产率高,磨削余量一般为0.1~0.35mm.用这种方法可一次走刀将整个余量磨完。磨削时,进给量较小,一般取纵进给量为1~2 mm/r, 约为“纵磨法”的15%,加工工时约为纵磨法的30~75%。 如表深磨法的特点
2.磨削端面
在万能外圆磨床上,可利用砂轮的端面来磨削工件的台肩面和端平面。磨削开始前,应该让砂轮端面缓慢地靠拢工件的待磨端面,磨削过程中,要求工件的轴向进给量fa也应很小。这是因为砂轮端面的刚性很差,基本上不能承受较大的轴向力,所以,最好的办法是使用砂轮的外圆锥面来磨削工件的端面,此时,工作台应该扳动一较大角度。
3.磨削内圆
利用外圆磨床的内圆磨具可磨削工件的内圆。磨削内圆时,工件大多数是以外圆或端面作为定位基准,装夹在卡盘上进行磨削(见图),磨内圆锥面时只需将内圆磨具偏转一个圆周角即可。
上图 内圆的磨削 与外圆磨削不同,内圆磨削时,砂轮的直径受到工件孔径的限制,一般较小,故砂轮磨损较快,需经常修整和更换。内圆磨使用的砂轮要比外圆磨使用的砂轮软些,这是因为内圆磨时砂轮和工件接触的面积较大。另外,砂轮轴直径比较小,悬伸长度较大,刚性很差,故磨削深度不能大,而降低了生产率。
七、常见外圆磨削疑难问题解析
1、外圆磨床在磨削时工件容易弯曲
解析原因:
1.在外圆磨削时磨削量太大;
2.在外圆磨床磨削时,切削液供给不充分;
预防措施:
1.适当的减少外圆磨床的背吃刀量;
2.保证切削液供给充足;
2、轴肩旁外圆尺寸较大
解析原因:
1.外圆磨床换向工作台停留时间太短;
2.外圆磨床砂轮磨损、砂轮外角变圆。
预防措施:
1.延长外圆磨床工作台换向的停留时间。
2.要及时修正数控外圆磨床的砂轮,保证工件磨削的精度。
3、工件两端尺寸较大呈鞍型
解析原因:
1.外圆磨床的砂轮余越出工件端面太少;
2.外圆磨床工作台停留时间太短;
3.磨细长轴时,顶尖顶的太紧;
4.外圆磨床的中心架水平撑块压力太大;
预防措施:
1.正确调整外圆磨床工作台上换向撞块位置,使外圆磨床砂轮越出端面为1/3-1/2的砂轮宽度。
2.正切调整外圆磨床工作台停留时间;
3.调整外圆磨床顶尖压力。
4.正确调整外圆磨床中心架水平撑块位置。