球面和截球面的磨削加工,看似挺复杂,但只要根据球面成形原理,通过计算和选择相应的磨削工艺条件,即可磨好各种球面工件。
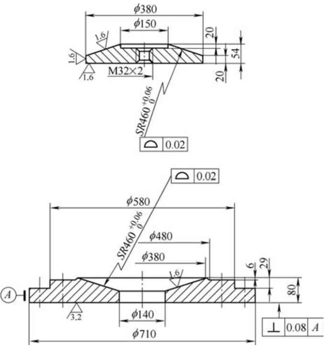
图1所示为SR460mm大直径球面副工件,外球面的材料为40Cr合金钢,淬火后的硬度为52~56HRC;内球面的材料为HT200灰铸铁。工件球面配合精度要求较高。
(1)磨削条件的选择与工艺计算。磨床为立磨头并在垂直方向能扳转角度的导轨磨床或其他磨床,夹具为能装夹工件并能自动旋转的回转工作台(见图2)。选用砂轮特性为WAF36J6V、直径为150mm的碗形砂轮。外球面用样板检测球面的轮廓度;磨内球面时,用红丹粉和外球面工件配测接触面积的状况,要求达到75%以上。
计算砂轮主轴中心线与工件中心线的夹角α,如图3所示。在△AOB中,sin(α1/2)=AB/(2R)=150/920=0.163,α1/2=9°23′。在△BOC中,sin(α2/2)=BC/(2R)=140/920=0.152,α2/2=8°45′。则α=α1/2+α2/2=9°23′+8°45′=18°8′。

图1 大直径球面副工件

图2 回转工作台与工件的安装
1.工作台 2.回转工作台 3.工件 4、5.齿轮 6.减速箱 7.电动机

图3 计算α角示意图
(2)磨削球面。把外球面工件安装在回转工作台上,找正工件中心与回转工作台中心同轴。再把立磨头主轴中心线顺时针扳转18°8′。然后把砂轮中心调整到工件中心右侧垂直平面内,并移动纵向工作台,使砂轮圆周端面与工件右侧球面接触,开始试磨。如果出现单向磨削弧状纹理,就说明砂轮和工件在垂直面内未对正中心,应调整砂轮架横向位置,使之达到交叉网纹,这时砂轮横向位置就正确了。球面磨光后,用样板检测球面轮廓度,这时可能出现3种情况:①工件外圆处有间隙,说明球面半径R小了,这时应向左移动纵向工作台,予以消除。②工件内圆处有间隙,说明球面半径R大了,这时应向右移动纵向工作台,予以消除。③样板与球面全接触,说明外球面的轮廓度正确合格。这时只需垂直进刀把工件球面磨好。
磨内球面时,同样把工件安装在回转工作台上,只移动纵向工作台,使砂轮端面与工件左侧内球面接触,开始试磨,用外球面工件进行检测配磨,检查其接触面积。当发现有间隙的情况时,纵向工作台的调整方向与磨外球面相反。经过调整纵向工作台反复垂直吃刀配磨,直到用红丹粉涂色和用外球面工件检查,使接触面积达到70%以上为止。
如果工件是多件,在第一件磨好后,只做垂直退刀,卸下工件,安装第二件,再做垂直吃刀即可,磨床纵、横向工作台不必再调整。
图4所示为球面轴承,材料为40Cr,淬火后的硬度为58HRC,磨好端面和内孔后,需要磨削外球面。磨削外球面时,选用特性为WAF60K6V的杯形或碗形砂轮,砂轮工作内径DK≥50mm。为了便于装夹工件,做一个以工件内孔和端面定位的心轴,心轴的一端为莫氏锥柄,以便于插装在万能外圆磨床头架主轴锥孔内。
磨球面时,把工件装在心轴上,并插装在磨床头架主轴锥孔内,然后把头架逆时针扳转90°。把杯形或碗形砂轮装在内圆磨具砂轮轴上,并对砂轮端面和内孔进行修整,使其径向和端跳动减小。移动磨床砂轮轮架,使其砂轮旋转中心(横向)对正工件球面中心,纵向移动纵向工作台,对球面进行试磨。观察球面磨削纹理,最好出现网状交叉纹理,这就说明砂轮旋转中心与球面中心在横向对正了。否则就得调整(微调)砂轮架横向位置予以消除单向弧形纹。砂轮横向对正中心后,就可正式用移动纵向工作台进行吃刀磨削球面了。在磨削过程中,用外径千分尺测量球径尺寸,如有余量,继续用移动纵向工作台吃刀,直到使球面直径达到要求为止。
外球面的磨削方法,一是用成形砂轮磨削,此方法操作简便、生产效率高,但修整成形砂轮麻烦,由于砂轮磨损,工件质量难以保证。二是用杯形砂轮在万能外圆磨床或内圆磨床进行磨削,它是利用砂轮和工件轴线斜交并回转来磨削的,这种方法不需要特殊设备和砂轮成形修整工具,即使砂轮磨损了,对球面也没有什么影响。
采用后一种方法磨削时,需要计算杯形砂轮内径DK和磨床头架扳转的角度α,如图5所示。
(1)计算杯形砂轮内径DK。计算公式为

式中,DK为杯形砂轮内径(mm);D为球面直径;K为大于或小于半圆的数值,当工件球面大于半圆时K为正值,小于半圆时K为负值,等于半圆时K为0。
(2)由sinα=DK/D,计算头架扳转的角度α。
需要注意的是:调整机床时,必须使砂轮旋转中心线与球面中心相交于O点,这时在球面上的磨削纹理为交叉网纹,否则就会出现单向弧状纹。即中心线未相交于球面中心O点,应调整砂轮架的横向位置。采用纵向工作台移动吃刀,千万不要横向吃刀。这种磨削方法对砂轮内径尺寸DK 要求不严格。
内球面的磨削方法与外球面的磨削方法和相关计算公式相同,机床调整方法也一样,就是磨床头架扳转的方向相反。磨削时采用的砂轮形状为平行砂轮,如图6所示。

图4 球面轴承

图5 磨削外球面

图6 磨削内球面
根据球面成形原理,除在各种磨床上增加附加工装磨削外,还可以在卧、立式车床、铣床上进行磨削直径不同规格的球面,这是被实践证明可行的。