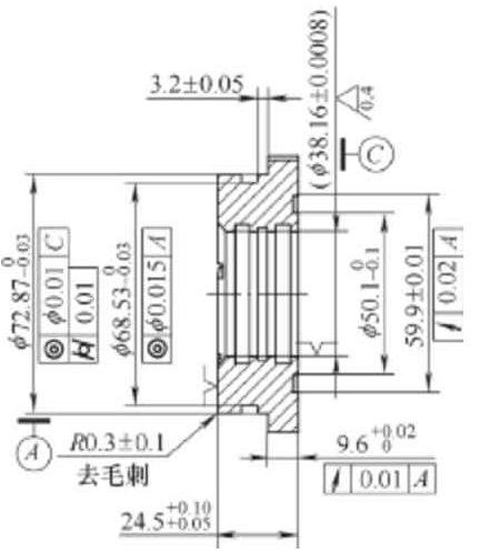
(1)产品零件的精度与定位夹紧分析。如图1所示的产品零件法兰,材料为7050硬铝。该图为精密数控车工序图,由图可知,以本工序中的内孔φ(38.16±0.008)mm为定位基准来加工大外环厚度为9.5+0.1 +0mm的两侧面。两侧面对定位孔的跳动量要求≤0.0 2 m m;要加工φ6 6.4 2-0 -0.04mm外圆及φ61.98-0 -0.04mm×4.65+0.23 +0 mm槽,且外圆及槽对定位孔的同轴度要求≤φ0.015mm;此外,还要加工φ60-0 -0.013mm×1.3-0 -0.1mm外圆及端面。同样,外圆对定位孔的圆跳动量要求≤φ0.01mm。从该工序的加工内容及技术要求可知,该零件公差小,几何公差要求非常严格,要加工出合格零件非常困难。加之铝合金材料软,在装夹过程中稍不小心,极易产生划伤或压痕,造成零件不合格。

图 1
从图1中可以看出,零件的工序基准为内孔,选择合理的定位夹紧方式是本工序的关键。按照零件的特点以及定位基准的要求,应当选用弹性套筒定心夹紧,液性塑料定心夹紧机构,或者采用与零件选配的无间隙心轴用端面压紧的方式是比较适宜的。但生产中使用这些方案都不能保证零件的技术要求。原因有:①3种工装由于自身的制造误差和在机床上安装的误差经叠加后,基本上都超过了零件工序中规定的几何公差。②弹簧套外圆上开有槽,胀紧像铝合金这样较软的零件时,极易对产品零件的内孔产生压痕。③弹簧套筒心轴和液性塑料心轴结构复杂,制造难度较大。
行政事业单位内部控制工作人员对该项工作认识不足,相关工作人员的总体素质不太高,需要对工作人员进行培训,做好宣传工作。工作可以分为以下几个方面:一是以省为单位,成立专门的部门,对省内行政事业单位的相关工作人员进行分批、定期的培训,增强他们内部控制意识,面对问题学会独立解决。第二,工作人员对相关工作的学习,参照相关的规章制度,对存在的问题进行分析,然后自己研究出针对性的对策,逐渐提升工作人员的素质。第三,行政事业单位对员工进行考察与考核的时候,将内部控制的指标纳入考核标准,逐渐提高相关人员的素质。
3)在场区地质条件适宜的条件下,采用柔性垂直防渗系统,可以快速、有效地实现污染物的阻隔,结合封场技术,可将垃圾进行三维立体阻隔,形成1个独立的地质单元,确保消除简易填埋场对周边环境的污染。
经过反复的摸索和试验,设计了如图2所示的一种新的定心夹紧机构——液压胀紧心轴,在使用中完全满足了技术要求。
(2)液压胀紧心轴的结构设计与工作原理。液压心轴的结构如图2所示,其中的关键零件为心轴,心轴内部有一个薄壁内腔,内腔装有粘度较大的液压油,内腔两端都分别设置有与柱塞、Yx型孔用密封圈相配合的孔和螺纹。心轴工作时,D1端由车床的三爪自定心卡盘或弹簧套夹紧,装上工件,拧紧螺钉7,心轴空腔内装满的液压油在柱塞的压力下,产生的压力胀大薄壁处的外圆,这样就实现了对工件的定位夹紧,由于薄壁处的外圆为光滑外圆,它和工件采用φ38.16f8/H7的配合精度,工作时产生的力量对工件产生夹紧,不会对工件内孔造成压痕并且垫圈轻轻靠在产品上,形成双定位防止产品滑动,防止对内孔壁造成伤害。
心轴在设计制造中有以下几点值得注意:①心轴的工作外圆和工件内孔的配合采用f8/H7的配合精度,便于产品零件的定位,夹紧可靠。②要严格控制空腔壁厚。壁厚厚,心轴不易胀起来,夹紧力不可靠;壁薄,心轴的强度减弱。③心轴前端的内螺纹与柱塞相配合的孔的长度要控制好,保证心轴内孔中的柱塞有足够的位移调节空间,以便保证产生足够的胀紧力。此外,心轴前端与螺塞配合的孔的直径,尽量控制在φ30mm以下,以避免操作者拧紧螺母时使用较大的力而影响心轴的定位,造成不必要的麻烦。④该心轴选用Yx型孔用密封圈。实践证明,使用该密封圈,压力越大密封圈翻边越大,密封越好。密封圈夹紧可靠,且胶圈寿命长。⑤考虑到心轴内Yx型密封圈装配和灌油的方便,d2(与左调压螺塞配合的孔的直径)一般应取的比d1(与右调压螺塞配合的孔的直径)大,且d1、d2的孔口两端都做出至少R3mm以上并抛光R。
我国的社会主义性质决定,政府一方面是社会管理者和宏观经济调控者,另一方面是国企的出资者。政府为了创造经济发展的良好形象,必然提供与之相关的财务数据。另外,国企领导的任期短,奖惩机制不健全,使得企业领导人不注重可持续发展,只关心眼前利益。
(3)心轴空腔处壁厚的确定。心轴空腔壁厚的确定,参照液性塑料定心夹紧结构中薄壁套筒壁厚h的计算方法来求得。计算方法按附表公式选取。
液压胀紧心轴可以按图2所示的那样,全部按工装设计图样的精度要求制造完成后使用,也可以将心轴做成半成品,待心轴使用时,将心轴工作外圆精车后再使用。两种方法的使用各有其特点,如果按照第1种方法,使用心轴前,把心轴夹紧在车床三爪自定心卡盘上,要找正心轴的工作外圆和车床主轴同轴,否则不能保证产品质量。但是,找正同轴难度较大。在加工如图1所示的零件时,因为零件精度太高,所以采用第2种方法。
信息数据的加密是其安全隐私保护中经常会用到的手段,虽说该类技术能够在一定程度上增加信息数据的安全性,避免泄露事件的发生,但它却无法准确应用到所有数据的隐私防护之中。反之,利用加密数据搜索技术能够完成对所有重要数据的隐私保护,以提升用户隐私信息的安全性。具体来说,依托云计算运用数据搜索能够有效降低相对应的限制问题,但却仍能够在特定情况下引发数据丢失的问题。总体来说,应用加密数据搜索技术的安全性相对较高,是当前形势下可以尝试推广应用的技术。
在加工图1所示法兰零件时,为保证零件精度,心轴在交付使用时,其夹紧外圆D2按工装要求精车成,以方便心轴在机床定位可靠。心轴的内腔按工装图镗至尺寸,灌满液压油,两端的柱塞和密封圈调节到刚好压紧的状态。而心轴的工作外圆D通常留有1mm的精车余量,心轴的工作外圆前端的外螺纹不车,螺纹大径留有1~2mm余量。当心轴使用时,将心轴在车床三爪自定心卡盘或弹簧套上夹紧,然后精车工作外圆D及工作外圆前端的外螺纹,这样工作外圆及螺纹便和机床主轴保证同心,避免了按方法1夹紧时产生的夹具安装误差,工件在心轴上定位精度得到提高。

图 2
1. 密封螺栓 2.心轴 3. 左调压柱塞 4、5.密封圈 6. 右调压柱塞 7.密封螺钉 8.压紧螺母9、13.垫片 10、12. 轴端螺母 11. 液压油 14.三爪自定心卡盘或弹簧套
薄壁套筒壁厚计算表

套筒定位直径D/mm 套筒薄壁长度L/mm 套筒壁厚h/mm D=10~50 D>10~50 L>D/2 h=0.015D+0.5 h=0.025D D/2>L≥D/4 h=0.01D+0.5 h=0.02D D/4>L≥D/8 h=0.01D+0.25 h=0.015D D<150
使用心轴时装上工件,用螺母压紧工件,但此压紧力不能大,只用手指带紧螺母,让工件贴紧工作外圆D的端面即可。然后旋紧螺钉7,用手用力扳不动心轴上的工件时,说明工件已被心轴夹紧可靠,可以使用了。
液压胀紧心轴和过去传统的弹性定心夹紧机构弹簧夹头以及液性塑料心轴相比,有明显的优点:
(1)结构简单,制造容易,成本低。弹簧夹头主要零件是弹簧套和心轴,弹簧套使用60Si2Mn或50CrV,机加制造过程和热处理过程要求较高,要保证高精度难度较大,液性塑料心轴的结构更为复杂,其心轴和定位套筒的机加难度更大。且液性塑料心轴要浇注液态的塑料,浇注中心轴要排气,否则不容易灌满,制作过程也较麻烦。而图2所示的液压心轴则可以用45钢经调质后(急用时也可不调质)精车成,制造过程十分简单,成本相当低。
(2)制造过程无污染、方便。液性塑料心轴在制作过程中,需要将聚氯乙烯树脂等3种不同的化学树脂加热到140~168℃,加热过程中释放出的气味难闻,对环境污染大。而液压心轴制作过程中直接灌液压油,不存在这些问题。
虽然液压胀紧心轴有如上的优点,但它不可能替代弹簧套心轴和液性塑料夹紧心轴,传统的定心夹紧机构也有自身的优点。尽管如此,液压胀紧心轴仍然是一种新颖的定心夹紧形式,尤其是在新品研制中,作为一种短、频、快且有着高精度定心的夹紧工装,有它无限的生命力。