在生产过程中,经常会遇到一些薄壁零件的加工,而这些零件往往又是产品装配使用过程中的关键件,其尺寸精度、形位公差和表面粗糙度均要求较高,但由于结构刚性差,加工过程中很容易出现两种质量问题:装夹变形超差和热变形超差。
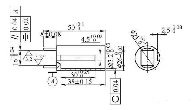
图1所示的套筒作为一典型的薄壁零件, 在执行铣削左端宽16+0.040 mm、深(7±0.08)mm槽的加工过程中,经常出现加工尺寸精度、形位公差超差现象,严重影响了生产进度。

图 1
1.零件结构及工艺性分析
图1 所示零件的材料为40Cr,要求热处理硬度达到28~32HRC,零件右端孔的内径为23.2+0.030 mm、外径为26 0-0.03mm,孔深(38±0.15)mm,圆柱方向上有宽4.5+0.020 mm、深2.3+0.080 mm的键槽。
其中右端内孔、外圆和键槽均已加工完毕。只有左端宽16+0.040 mm、深(7±0.08)mm的槽待加工,由图样可知,该键槽壁厚仅为2mm,且两侧面与已加工键槽的平行度要求和对称度要求分别为0.04mm和0.02mm。一般情况下,加工槽常用的方法有两种:线切割和铣加工,且尺寸有保证, 但是线切割工作效率低、与已加工键槽的形位公差很难保证;若采用铣加工,只能自制专用工装夹具夹持φ 26 0-0.03mm外圆,工作效率虽能有效提高,但容易引起装夹变形和铣削加工的热变形。
因此加工该零件时,重点是要解决装夹变形和铣加工中的热变形问题,难点是要保证两键槽形位公差的同时,还需要保证零件左端槽铣加工后,其右端已加工孔φ 23.2+0.030 mm的圆度变形量超差≤0.04mm。
2.机床选择、工装设计与制造
(1)机床选择。根据对零件的结构和加工工艺性的分析,可以选择的加工设备有座标铣、工具铣或中立铣。在此,选X8126万能工具铣来完成本工件槽的铣削加工。
(2)工装设计。由于工件属于薄壁零件,不当的装夹方法将会造成零件的报废。大量的实践证明,影响零件加工精度的因素主要有夹具误差、工艺系统的弹性变形及热变形、工件本身力学性能引起的误差等。为了能很好地保证该套筒零件中待加工槽与已加工键槽之间的平行度公差,保证工件不产生装夹变形。为此,设计了一套专用铣夹具(见图2~图4)。

图2 夹具体

图3 心轴

图4 定位销
(3)工装制造。为了使用过程操作方便,此工装夹具体是在机用平口台虎钳钳口基础上,改装加工制作而成的。心轴、定位销单独下料加工,材料选用45钢,热处理硬度28~32HRC。工装在加工过程中,最关键的就是保证φ 26 0-0.05mm与槽宽4.5+0.020 mm的同心度一致,心轴φ 23.2-0.02-0.03mm与工件内孔的间隙不超过0.03mm;同时,为保证零件的形位公差,心轴的销孔、活动钳口的缺口尺寸均与零件相同,即4.5+0.020 mm,定位销外圆尺寸为φ 4.5-0.01-0.02 mm。
3. 工装使用方法
此工装的使用过程: 将心轴放入工件内径中,用手转动心轴,使键槽方向与工件键槽方向一致,然后将定位销插进工件的键槽内,最后将这一整体放入虎钳口,使用既安全,又简单可靠(见图5)。工装能够包容的面超过工件表面的2/3,键与心轴的使用,保证了工装与工件的加工基准达到统一,避免了装夹后工件两处键槽之间的位置度超差,且心轴同时还能起到支撑作用,防止心轴与工件因间隙的存在而脱落。装夹时,由于心轴与工件内径间隙保持在0.03mm之内,不必担心会因夹紧力而造成工件的变形。由于销在工装上的紧密配合,再加上机用虎钳的夹紧力,完全避免了由于工件在加工过程中的松动和滑移而造成的两处键槽间形位公差的超差。

图5 零件加工装夹示意图
1.平口台虎钳 2.工件 3.销 4.心轴
4. 铣削加工过程
( 1 ) 刀具的选择。根据图1 可知, 待加工槽的深度是(8±0.08)mm,可以选择善于加工凹槽的高速钢立铣刀来完成任务,加工中常因夹紧力、切削力、残余应力和切削热等因素的影响而产生变形,因此切削过程应分为粗加工和精加工( 都用φ 14mm的铣刀),两道工序分开进行,以便于在精加工时把粗加工中产生的变形进行很好地纠正,这样便于尺寸精度、加工表面粗糙度及键槽的位置度能更好地达到图样的要求。
(2)铣削过程及铣削参数的选择。因为工件材料为40Cr钢,硬度为28~32HRC,该材料可切削加工性能较好。根据所选机床特性、所选铣刀直径及铣削切削参数计算公式,确定主轴的转速和进给速度n=Vc×1 000/π×Dc(1)Vf=fz×n×zn (2)最后可以确定粗、精加工的参数范围。粗铣: 主轴转速80~120r/min,进给速度15~25mm/min,吃刀量5.0~6.4mm;精铣:主轴转速350~500r/min,进给速度10~15mm/min,吃刀量0.06~0.1mm。
加工过程中可根据所使用机床性能、材料的组织加工性能、铣刀直径及切削受力情况,调整至合适的铣削参数。
(3)切削液的选择。为了减少切削热对加工过程及工件加工质量的影响,应选择合适的切削液来保证加工效果。比较常用的三种切削液:水溶液、切削油和乳化液。水溶液是以水为主要成份,并加入防锈添加剂的切削液,有时加入皂类、硫化蓖麻油等活性物质后,不仅具有很好的润滑作用,而且还有较强的冷却效果;切削油是几种矿物油的混合液,主要用于车削、攻螺纹、铣削及孔加工等,能起到很好的润滑作用;乳化液是由水和油按一定比例组成的混合液,其中浓度低的主要起冷却作用,用于粗加工和磨削加工,浓度高的主要起润滑作用,用于精加工。
综合上述3种切削液的优缺点,考虑经济成本和加工需要,选用肥皂水来作为铣加工中的切削液。该切削液具有较好的冷却效果,是机加工中最常用的,可以同时冷却刀具和工件,使切削温度降至最低,既能保证加工过程中的工件变形量达到最低,又能保证得到良好的表面粗糙度,还能较好地延长刀具使用寿命。
(4)零件试加工。按照上述方法,进行了首批5件零件的试加工,加工后的结果如附表所示。
试加工结束后,又经过对两批次(共50件)零件的加工,经检验,完全能满足设计要求,时间也基本控制在10min以内。
5. 结语
通过上述刀具的选择、加工参数的确定、工装的设计及切削液的使用,能够使工件装夹定位方便、夹紧可靠、操作方便且加工过程平稳,能更好地保证加工质量。通过以上方法,该零件的加工质量得到了明显提高,加工时间短,劳动生产率高,产品合格率达到99%以上,适合零件批量生产的需要。此零件的加工方法具有较广泛的通用性,值得推广。