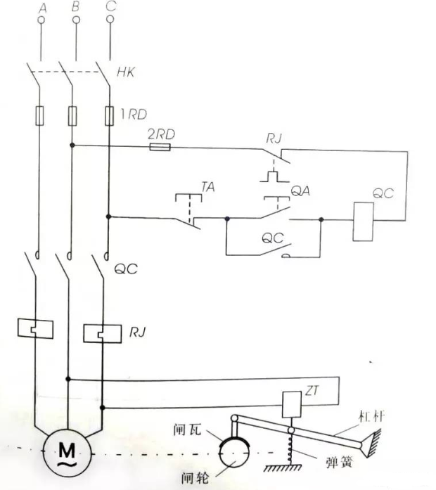
机械制动是利用机械装置使电动机在切断电源后迅速停转。采用比较普通的机械制动设备是电磁抱闸。电磁抱闸主要由两部分组成,制成电磁铁和闸瓦制动器。
当按下按钮QA,接触器QC线圈获电动作,电动机通电。电磁抱闸的线圈ZT也通电,铁芯吸引衔铁而闭合,同时衔铁克服弹簧拉力,迫使制动杠杆向上移动,从而使制动器的闸瓦与闸轮松开,电动机正常运转。当停止按钮TA,接触器QC线圈断电释放,电动机的电源被切断时,电磁抱闸的线圈也同时断电,衔铁释放,在弹簧拉力的作用下使闸瓦紧紧抱住闸轮,电动机就迅速被制动停转。

这种制动在起重机械上广泛使用。当重物吊到一定高处,线路突然发生故障断电,电动机断电,电磁抱闸线圈也断电,闸瓦立即抱住闸轮使电动机迅速制动停转,从而可防止重物掉下。另外,也可以利用这一点将重物停留在空中某个位置。