无创机械通气是指通过鼻罩或者面罩连接,利用呼吸机在上呼吸道应用正压以增加肺泡通气,进而给予患者通气支持。
相对于有创机械通气,无创机械通气可预防气管插管相关并发症、减少患者不适、维持自主的气道保护机制,其临床应用越来越广泛。
今天,笔者将从性能、连接器、模式三方面来介绍无创机械通气。

无创呼吸机是实现无创机械通气的主要装置。无创呼吸机的性能越好成功率越高。无创呼吸机主要性能要求有:
1. 人机同步性:灵敏的吸气触发与呼气切换可保证人机协调,增加患者的舒适性及治疗成功率。
2. 工作模式:无创呼吸机需要具有常用基础模式 CPAP、S、T、S/T、PCV。
3. 性能指标:
氧浓度可调 21%~100%(这里不得不提一句,市场有 2 种类型:一种是内置供氧模块的也就是可以调节氧浓度(21%~100%)的呼吸机,一种是不带供氧模块的通过外接氧气来调节氧浓度的呼吸机,这里推荐使用氧浓度可以调节的无创呼吸机);
最大吸气压至少 25~30 cmH2O;
最大吸气流速 180 L/min 以上,这决定呼吸机的漏气补偿能力。
4. 监测报警:最好具备潮气量监测、漏气量监测及波形监测功能,更好的指导临床参数设置。

无创机械通气的最大特点在于它非侵入性的连接方式。无创呼吸机连接器有鼻罩、口鼻罩(面罩)、全面罩、头盔等,目前以鼻罩、口鼻罩最常用。

接下来,我们认识一下面罩的几个重要的构造。

注:(1)排气孔,(2)安全阀,(3)多功能连接小孔,(4)气管镜操作孔。
1. 排气孔
有些面罩上存在一片散在均匀的小孔,这是排气孔,是患者呼气的地方。有些面罩则没有这些排气的小孔,那么就需要外接呼气阀(平台阀、侧孔阀、静音阀都属于呼气阀)来保证患者的呼气。
平时临床中使用,切不可既无排气孔又无呼气阀,也不可在有排气孔的情况下再接呼气阀。
2. 安全阀
又叫防窒息阀,由塑料膜片和一个孔径较大的漏气孔组成。在流入面罩的气流受到阻碍时,此孔可提高安全性。
呼吸正常工作时,因管路里的气流和正压作用于膜片,使其向上封闭漏气孔,维持正常通气。
当呼吸机故障或管路断开等,管路内无气流和正压,塑料膜片由于重力作用向下垂落,该漏气孔打开,患者可通过此孔进行呼吸,提高安全性。
3. 多功能连接小孔
这些小孔接口可连接氧气或测压管。
4. 气管镜操作孔
此孔可使患者在无创呼吸机支持下顺利完成气管镜操作。
(向下滑动查看详细介绍)
无创呼吸机模式看起来复杂多样,其实它们之间是相互联系的,笔者今天通过结合呼吸机波形,带大家来简单了解无创呼吸机模式 CPAP、S、T、S/T、PCV。
1. 自主呼吸

自主呼吸时,吸气负压,呼气正压。
2. CPAP 模式

CPAP 模式下,呼吸机在吸气相和呼气相均提供一个相同的压力,整个通气过程由自主呼吸完成,实质是以零压为基线的自主呼吸基线上移一个 CPAP 压力,有利于打开气道。
主要用于阻塞性睡眠呼吸暂停综合征、肺水肿等。该模式不提供吸气压力支持。
3. S 模式

该模式相当于有创的 PS+PEEP 模式,在吸气期提供呼吸支持。但该模式必须在患者自主呼吸较强的情况下,每次呼吸都需要患者触发,当患者无触发,呼吸机则不送气。
如图中 A 吸气前压力下降,代表此次呼吸由病人触发送气。B 为吸呼气切换点,为自主切换。
4. T 模式

时间触发的控制通气,时间触发(C)时间转换(D),呼吸机完全控制病人的呼吸,适用于病人无自主呼吸或不能自主触发呼吸机。
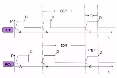
5. S/T 模式

S/T 模式较 S 模式更安全,是临床中最常用的模式。当患者没有自主呼吸或自主呼吸微弱时,将会强制启动 T 模式一次。
如图,前面 2 次送气前压力下降(A),代表这两次送气由病人触发,并且吸呼气切换为自主转换(B)。
但是后面患者没有触发了,呼吸机则在前一次送气的开始算起,等待至 60/f(若呼吸频率 f 为 12,则呼吸机将会等待 60/12,也就是 5 秒),如果此时患者还没有触发(也就是 C 点处)呼吸机则强制送一次气,也就是 T 模式,并且此次送气时间为设定的 Ti,吸呼气切换为时间转换 (D)。
6. PCV 模式

PCV 其实相当于有创模式的 P-A/C 模式, 原理与 S/T 模式相似,与 S/T 不同的是,它属于控制通气,也就是说不管此次呼吸是不是患者触发的送气,呼吸机都控制病人的吸气时间。
如图 D,患者每次呼吸的吸呼气切换都为时间转换。