通过对高精密钛合金零件图样的仔细研究,确定了加工方案和工艺参数,利用现有的普通车床设备,最终顺利完成了零件的加工,实现了在车床上完成只有磨床才能达到的加工精度要求。
1.加工难点分析
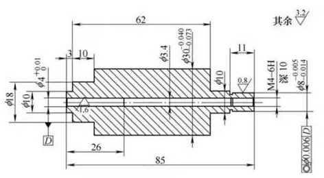
有一批来自某光机所的生产任务,该任务无论在加工材料、还是在加工精度上,都是一种全新的挑战,其中凸透镜旋转轴(见图1)的加工存在以下难题:
(1)凸透镜旋转轴采用的是钛合金材料,由于其强度大、硬度高,加工时极易产生表面硬化层,而且材料导热系数小、弹性模量小,切削时加工表面的回弹量很大,造成刀具后刀面的剧烈摩擦、粘附和粘结磨损。
(2)在保证外形加工精度的同时, 零件两端同轴度要求0.006mm,这对于现有机床来说,几乎是难以达到的。因为现有机床在启动后,自身主轴跳动已>0.01mm,在这样的机床上完成加工任务难度可想而知。
(3)零件外形和孔的尺寸精度要求都非常高,分别为0.005mm和0.01mm,要求表面粗糙度值Ra=0.8μm。正常情况下需要在磨床上加工才能实现该图样要求。由于分厂内没有磨床设备进行精密加工,于是该任务必须由车床来完成。加工前首先对图样进行了仔细的研究,分析了多种加工方案,最终决定采取如下方法进行加工。

图1
2.工艺参数的选择
根据钛合金材料特性,优选强度性能高、耐磨损性能较好、牌号为YW系列的刀具材料进行加工。
(1)刀具参数:选用主偏角为90°的正反外圆偏刀和横槽车刀各一把。在保证刀具切削强度的同时,为减小切削阻力,防止材料在切削过程中过热变形,刀具前角选择较大的20°~25°。为避免刀具后刀面在切削过程中与零件表面的急剧摩擦、粘结,刀具后角选择为5°~8°。
(2)切削参数:由于钛合金材料导热系数低、弹性模量小,加工过程中易产生粘结,所以在加工中切削参数值不易设置过大,主轴转速选择在350~500r/min,不宜过高。背吃刀量和进给量粗车时选择大一些,精车时选择小一些。
3.加工工艺方法
(1)粗车:首先使用横槽车刀将零件两端外形进行粗车(见图2),单边留余量0.5mm。由于横槽车刀切削过程中阻力小、易断屑,所以使用横槽刀对两端外图1形粗车效果较好。但由于钛合金材料在加工中极易热变形,所以在切削过程中必须使用切削液进行充分冷却。

图2
(2)半精车:待零件彻底冷却后,再使用90°外圆偏刀将零件的基准外圆车出,通过软爪夹持零件外形,利用微米杠杆表校正零件外形(见图3),使圆跳动达到0.005mm以内,对零件一头进行加工,不能一次加工到位,单边留余量0.1~0.2mm。

图3
(3)精车:①零件外形余量切除后,钻孔、镗孔,保证尺寸和精度要求。再次校正零件外形,保证尺寸精度在0.005mm以内,精车外形留余量0.05mm。由于双顶以两端内孔为定位基准,且零件最终精车前的外形余量较小(0.05mm),所以钻孔和镗孔与精车外形在一次装夹找正中完成,并做好孔口倒角,为下一道双顶工序做好准备。②在机床上车一顶尖,将零件通过双顶的方法,使用正反偏刀对两头外形进行精车(见图4),抛光零件外形,达到表面粗糙度值Ra=0.8μm的要求。

图4
4.结语
采用此加工工艺方法,最终顺利完成了零件的加工。通过检测,零件各尺寸精度和形位公差均达到了设计图样要求。