专注高端智能装备一体化服务
认证证书
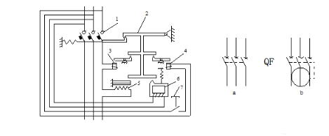
【爱游戏(中国)机械】什么是继电器?继电器的分类与符号

【爱游戏(中国)机械】什么是继电器?继电器的分类与符号.

  继电器主要用于控制与保护电路作信号转换用。它具有输入电路(又称感应元件)和输出电路(又称执行元件)。当感应元件中的输入量(如电流、电压、温度、压力等)变化

Read More..
【爱游戏(中国)机械】常用低压电器元件的选用与维修

【爱游戏(中国)机械】常用低压电器元件的选用与维修.

一、低压电器的基本知识电器:电能的生产、输送、分配与应用起着控制、调节、检测和保护的作用。电器:根据外界的信号和要求,自动或手动接通或断开电路,断续或连续

Read More..
【爱游戏(中国)机械】什么是过载?什么是过流?

【爱游戏(中国)机械】什么是过载?什么是过流?.

什么是过载:每个电气设备都有它的额定功率,当超过额定功率是就叫做过载,对这种状态的保护就叫做过载保护对于防止电气设备内部发生短路的保护就叫做短路保护、什么

Read More..
【爱游戏(中国)机械】双稳态电磁阀测试线工装制作方法

【爱游戏(中国)机械】双稳态电磁阀测试线工装制作方法.

步骤一  用220V电源加到电磁阀上的两个插片上,反复通断电流数次,如电磁阀有换向声则证明电磁阀电气上无故障(注意:因线圈内带有PTC热敏电阻故通电时间不能超过20秒

Read More..
【爱游戏(中国)机械】电磁阀常见故障及解决办法

【爱游戏(中国)机械】电磁阀常见故障及解决办法.

电磁阀线圈的额定电压有DC12V、DC24V、AC24V(50/60Hz)、AC110V(50/60Hz)、AC220V(50/60Hz)、AC380V(50/60Hz)。一般在电气设计时要么采用AC220V(不需加装开关电源

Read More..
【爱游戏(中国)机械】母线种类、适用范围条件、母线系统以及配电柜母线计算

【爱游戏(中国)机械】母线种类、适用范围条件、母线系统以及配电柜母线计算.

1、常用母线,适用范围母线分为硬母线和软母线。硬母线按其形状不同有可分为:矩形母线、管型母线、槽型母线、菱形母线等多种。矩形母线是最常用的母线,也成母线排

Read More..
【爱游戏(中国)机械】配管配线时,什么情况下必须设置接线盒?

【爱游戏(中国)机械】配管配线时,什么情况下必须设置接线盒?.

当管配线分叉时或者不能达到有长度,必须设置接线盒。1.  接线盒是电气配管线路中管线长度.  管线弯头超过规范规定的距离和弯头个数时以及管路有分支时,所必须设置

Read More..
【爱游戏(中国)机械】机器视觉 运控控制——自动化产线升级的利器

【爱游戏(中国)机械】机器视觉 运控控制——自动化产线升级的利器.

机器视觉是计算机视觉的一个分支,工业自动化领域中的视觉控制或视觉应用,主要指的是通过前端光学摄像头,从采集到的数字化图像中提取相关信息,进行分析处理之后,用

Read More..
【爱游戏(中国)机械】探索机器视觉系统的基本要素

【爱游戏(中国)机械】探索机器视觉系统的基本要素.

  机器视觉系统由众多部件组成,其中包括相机、图像采集卡、照明单元、光学元件与镜头、处理器、软件及显示设备等。简单的机器视觉系统可以识别2D或3D条形码,更复

Read More..
【爱游戏(中国)机械】浅槽重介分选机8个相关问题

【爱游戏(中国)机械】浅槽重介分选机8个相关问题.

浅槽重介分选机(以下简称浅槽)用于大型选煤厂的块煤排矸,也可以用于井下排矸,是煤矿地面选煤厂和井下选煤厂主要分选设备之一。近年来,不仅在我国动力煤选煤厂得到

Read More..