专注高端智能装备一体化服务
认证证书
【爱游戏(中国)机械】解析精密测试技术的未来发展方向

【爱游戏(中国)机械】解析精密测试技术的未来发展方向.

   先进技术的发展日新月异,精密测试技术应该适应这种发展.精密测试技术在机械学科中的作用是为先进制造业服务,担负起质量技术保证的重任.这就要求首先要以提高产

Read More..
【爱游戏(中国)机械】数控机床机械手换刀装置故障与维修

【爱游戏(中国)机械】数控机床机械手换刀装置故障与维修.

在数控机床的维修中,与换刀相关的故障极为多见。本文基于机械手换刀装置的结构与动作控制,结合维修实例,归纳常见故障现象、原因及处理措施,在数控机床的维修与改

Read More..
【爱游戏(中国)机械】四大数控加工中心换刀方式及特点解释

【爱游戏(中国)机械】四大数控加工中心换刀方式及特点解释.

数控加工中心除了和其它数控铣削加工设备一样,具有高效加工复杂曲面工件和异形轮廓工件的加工能力以外。它还具有自动更换加工刀具的先进功能。数控加工中心之所以

Read More..
【爱游戏(中国)机械】为什么航空制造如此追求极致?

【爱游戏(中国)机械】为什么航空制造如此追求极致?.

精密超精密加工技术的起源从一定意义上可以上溯到原始社会:当原始人类学会了制作具有一定形状且锋利的石器工具时,可以认为出现了最原始的手工研磨加工工艺;到了青

Read More..
【爱游戏(中国)机械】高精密复杂斜轴承孔加工工艺研究

【爱游戏(中国)机械】高精密复杂斜轴承孔加工工艺研究.

某复杂钛合金机匣是一种新型航空发动机上的重要承力部件。机匣内腔复杂大支板两端的精密斜轴承孔,主要功能是安装轴承,支撑锥齿轮轴组件旋转传递扭矩,是该零件精度

Read More..
【爱游戏(中国)机械】数控加工的12个经验总结,机加工人必备!

【爱游戏(中国)机械】数控加工的12个经验总结,机加工人必备!.

由于数控加工的复杂性(如不同的机床,不同的材料,不同的刀具,不同的切削方式,不同的参数设定等等),决定了从事数控加工(无论是加工还是编程)到达一定水平,必须经过

Read More..
【爱游戏(中国)机械】如何提高薄壁零件的加工精度

【爱游戏(中国)机械】如何提高薄壁零件的加工精度.

因为具有重量轻、节约材料、结构紧凑等特点,薄壁零件已日益广泛地应用在各工业部门。但薄壁零件的加工是比较棘手的,原因是薄壁零件刚性差、强度弱,在加工中极容易

Read More..
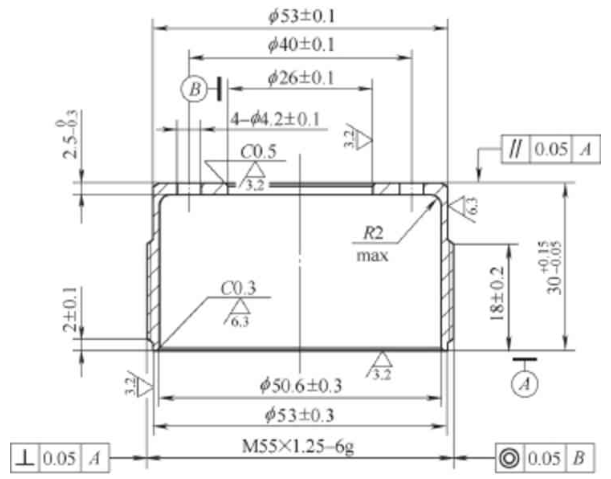
【爱游戏(中国)机械】薄壁盖类冲压零件的精密螺纹高效加工法

【爱游戏(中国)机械】薄壁盖类冲压零件的精密螺纹高效加工法.

端盖是汽车、火车减振阻尼器上的一个重要安全性零件,属大批量生产产品,适合高效的自动化生产线加工。本文通过对所有工艺要素进行全面分析和难点解决,全面实现了加

Read More..
【爱游戏(中国)机械】造一辆汽车都含有多少制作工艺和工序

【爱游戏(中国)机械】造一辆汽车都含有多少制作工艺和工序.

先看一张汽车生产流程图从流程图上我们可以看到两道大的工序,上面的工序是车身的成型,主要是冲压、焊接和涂装以及内饰。下面的工序是汽车的核心零配件的制造加工

Read More..
【爱游戏(中国)机械】中走丝与慢走丝加工的技术的差距有多少?

【爱游戏(中国)机械】中走丝与慢走丝加工的技术的差距有多少?.

中走丝只是快走丝加一个修刀的功能,好点的中走丝现在用的都是慢走丝的结构。加工精度和光洁度和慢走丝区别很大的。一、中走丝和慢走丝的加工1平方米成本和效率对

Read More..