专注高端智能装备一体化服务
认证证书
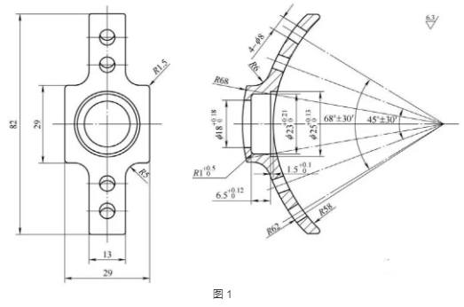
【爱游戏(中国)机械】多件加工工装夹具设计

【爱游戏(中国)机械】多件加工工装夹具设计.

摘要:对于螺杆、阀杆与销轴类零件,设计合理的工装夹具,实现多件加工,以满足批量高效生产的需要。随着科技的进步,机械加工设备不断被优化改进,其加工能力、加工精

Read More..
【爱游戏(中国)机械】精密异形滑块加工工艺优化

【爱游戏(中国)机械】精密异形滑块加工工艺优化.

摘要:以精密异形滑块加工为例,结合已有的加工设备,对精密零件在机床加工中的变形系数进行分析,总结出影响产品质量达标率的因素,通过改变装夹方式和工序步骤来优化

Read More..
【爱游戏(中国)机械】机械制造工艺学重点知识

【爱游戏(中国)机械】机械制造工艺学重点知识.

1、工件装夹有哪三种方法?{1.夹具中装夹;2.直接找正装夹;3.划线找正装夹}2、工艺系统包括哪些内容?{机床,工件,夹具,刀具}3、机械加工工艺过程的组成?{粗加工,半精

Read More..
【爱游戏(中国)机械】各种制氧机介绍

【爱游戏(中国)机械】各种制氧机介绍.

家用制氧机,市面上有多种家用制氧机,由于制氧的原理不同,各家用制氧机的使用特点也就不同。家用制氧机根据原理不同分为电子制氧机、分子筛式制氧机、化学药剂制氧

Read More..
【爱游戏(中国)机械】医用制氧机的工作原理

【爱游戏(中国)机械】医用制氧机的工作原理.

医用制氧机采取的是分子筛制氧方式。结构模块化,自动化程度高,操作方便,而正确地使用、及时有效地保养维修,是确保制氧量、制氧纯度和正常输出压力、延长制氧设备

Read More..
【爱游戏(中国)机械】异形零件联接体加工技巧

【爱游戏(中国)机械】异形零件联接体加工技巧.

摘要:以异形零件联接体为例,针对零件形状和不同工序的加工特征制作专用夹具,利用数控车床和排状刀夹的综合优势,把多道普车工序合并在一起加工,减少了安装与找正的

Read More..
【爱游戏(中国)机械】高精度盘类薄壁零件加工工艺技术

【爱游戏(中国)机械】高精度盘类薄壁零件加工工艺技术.

1 零件工艺性分析1.1 结构特点该本体是典型的盘类薄壁零件,其最大和最小外圆直径分别为366.5和332 mm, 最大和最小内孔直径分别为350和322 mm,零件高度为37 mm,多

Read More..
【爱游戏(中国)机械】挡板夹具的制作及使用

【爱游戏(中国)机械】挡板夹具的制作及使用.

在机械加工过程中,夹具对加工质量、生产率和产品成本都有直接的影响。合理的夹具可以充分发挥现有设备的潜力,以便工人掌握复杂或精密零件的加工技术,在减轻繁重的

Read More..
【爱游戏(中国)机械】加工钛合金材料用什么样铣刀?

【爱游戏(中国)机械】加工钛合金材料用什么样铣刀?.

钛合金作为一种难切削材料,需用到钛合金专用铣刀,才能有效的铣削钛。钛的熔点比较高,激活很大,精格源自不易脱离其平衡位置。在铣削钛合金是,切离成切屑所消耗的能

Read More..
【爱游戏(中国)机械】基于非均匀余量的超薄叶片叶轮工艺优化策略

【爱游戏(中国)机械】基于非均匀余量的超薄叶片叶轮工艺优化策略.

摘 要:针对超薄结构叶片整体叶轮在制造过程中产生的较大切削变形,分析了薄壁叶片在集中载荷下的变形规律,应用了非均匀余量的工艺优化方案。依据优化后的工艺基于

Read More..