专注高端智能装备一体化服务
认证证书
【爱游戏(中国)机械】偏心套偏心孔车加工夹具设计

【爱游戏(中国)机械】偏心套偏心孔车加工夹具设计.

很多零件待加工部位,不利于机床正常加工,如果不采用措施,会给加工带来困难,增加辅助加工时间,尺寸精度不易保证,加工质量受到影响。本文介绍加工某设备上的偏心套

Read More..
【爱游戏(中国)机械】有机玻璃和亚克力的区别?有机玻璃是什么做的

【爱游戏(中国)机械】有机玻璃和亚克力的区别?有机玻璃是什么做的.

生活中我们经常会听到有机玻璃和亚克力这两种材料的产品,据了解有机玻璃和亚克力加工产品外观美观,是如今居室装修运用较多见的两种材料,不过也有很多朋友对它们不

Read More..
【爱游戏(中国)机械】丙烯酸塑料(亚克力)为啥受到大家的喜爱

【爱游戏(中国)机械】丙烯酸塑料(亚克力)为啥受到大家的喜爱.

丙烯酸类塑料最具代表性的是PMMA及其共聚物,俗称有机玻璃,也称亚克力其次是各种涂料、粘合剂、树脂改性剂等,。具有质硬、不易破碎、高度透明、耐候性好、易于染色

Read More..
【爱游戏(中国)机械】机械加工常用定位元件

【爱游戏(中国)机械】机械加工常用定位元件.

为了保证同一批工件在夹具中占据一个正确的位置,必须选择合理的定位方法和设计相应的定位装置。 上节已介绍了工件定位原理及定位基准选择的原则。在实际应用时,一

Read More..
【爱游戏(中国)机械】飞机起落架套筒类零件加工

【爱游戏(中国)机械】飞机起落架套筒类零件加工.

图1所示为旋转套筒组合件,该零件具有尺寸精度要求高、薄壁易变形和装配形位公差要求高的特点,且产品材料为难加工的A100钢,该产品是飞机起落架转弯结构中的重要零

Read More..
【爱游戏(中国)机械】钣金加工工艺介绍

【爱游戏(中国)机械】钣金加工工艺介绍.

钣金加工钣金加工是针对金属薄板(通常在6mm以下)的一种综合冷加工工艺,包括剪切,冲裁,折弯,焊接,铆接,模具成型及表面处理等。其其显著的特征就是同一零件厚度一致

Read More..
【爱游戏(中国)机械】钣金做展开图图纸的28个注意事项!你注意啦吗?

【爱游戏(中国)机械】钣金做展开图图纸的28个注意事项!你注意啦吗?.

1展开方式要合理,尽可能减少不必要的工序及加工的方便性.考虑实际加工工艺,合理安排加工工序,(孔与折边距离,压铆加工工艺,焊接加工工艺等,以上情形要考虑加工顺序

Read More..
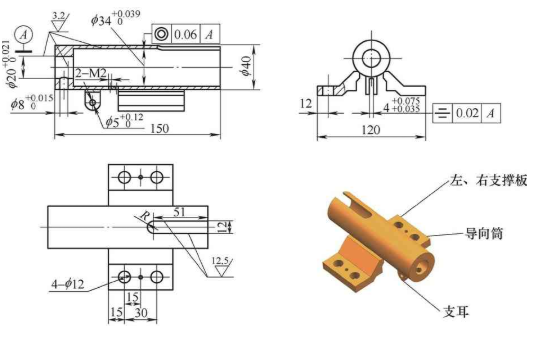
【爱游戏(中国)机械】异形组焊零件数控加工工装设计与改进

【爱游戏(中国)机械】异形组焊零件数控加工工装设计与改进.

生产实践中,许多零件是由多个部分组焊,再经机械加工而成,而这些零件组焊后往往形状不规则,在实际加工中会出现定位基准不易确定,找正、装夹困难的情况。蓄能器本体

Read More..
【爱游戏(中国)机械】一种专门用于细长轴类零件的螺纹加工工装

【爱游戏(中国)机械】一种专门用于细长轴类零件的螺纹加工工装.

普通车床在加工细长轴时很难达到较高的精度要求,无论是钳工还是车工在面对精度要求较高的细长轴螺纹加工时都存在一定的困难。通常情况下,在普通车床上加工细长轴

Read More..
【爱游戏(中国)机械】快换夹具的选择与使用

【爱游戏(中国)机械】快换夹具的选择与使用.

本篇内容将会分享:快换夹具常见的接口种类、接口选用原则、快换系统的视频讲解、以及零点定位系统在发动机盘环件中的应用。很多零件在加工中准确定位和安装一般需

Read More..