专注高端智能装备一体化服务
认证证书
【爱游戏(中国)机械】激光加工机器人技术及工业应用

【爱游戏(中国)机械】激光加工机器人技术及工业应用.

1 激光加工机器人的组成及类型1.1 激光加工机器人的组成激光加工机器人是将激光技术和机器人技术进行有效的融合,充分利用设备的工作原理,进而更好地满足生产和建

Read More..
【爱游戏(中国)机械】常见的零件工艺结构--铸造零件的工艺结构

【爱游戏(中国)机械】常见的零件工艺结构--铸造零件的工艺结构.

一个零件的结构形状,既要满足设计性能要求,还需符合加工工艺要求。因此,有必要了解零件上的常见工艺结构。一、铸造零件的工艺结构(包括过渡线的画法)铸造零件的工

Read More..
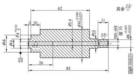
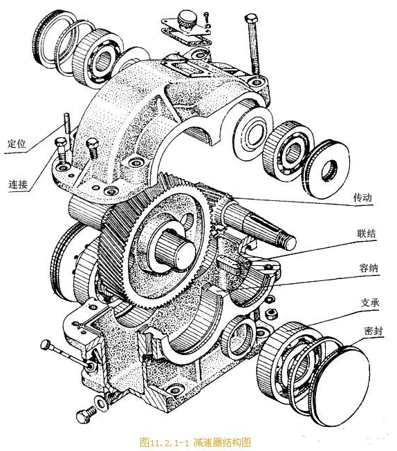
【爱游戏(中国)机械】机械工程师总结出零件的结构知识!

【爱游戏(中国)机械】机械工程师总结出零件的结构知识!.

零件的结构分析方法零件图的主要目的是确定零件的结构和尺寸,零件的结构反映它的功能,或者说零件的功能对应着某些典型的结构。如图11.2.1-1所示为减速器结构立体

Read More..
【爱游戏(中国)机械】砂轮小科普:磨削加工中的粗糙度、光洁度、光泽度如何分清楚

【爱游戏(中国)机械】砂轮小科普:磨削加工中的粗糙度、光洁度、光泽度如何分清楚.

在机械加工过程中经常会遇到粗糙度、光泽度与光洁度的概念,大多数时候我们会混淆。其实光泽度与光洁度是不一样的概念,而光洁度又影响着物件的光泽度。1.概念区分

Read More..
【爱游戏(中国)机械】你了解液体喷砂吗

【爱游戏(中国)机械】你了解液体喷砂吗.

所谓液体喷砂一改传统的干喷方法,它是将砂(磨料)置于水中,用磨液泵和压缩空气,通过喷枪将磨液高速喷射到被加工的工件上,达到对零件表面清理和光饰的目的。液体喷

Read More..
【爱游戏(中国)机械】电容种类大全

【爱游戏(中国)机械】电容种类大全.

一、 按照结构:固定电容器、可变电容器和微调电容器。二、 按用途:高频旁路、低频旁路、去耦、滤波、调谐、高频耦合、低频耦合、小型电容器。三、 按介质材料:气

Read More..
【爱游戏(中国)机械】PCB产业链 PCB分类

【爱游戏(中国)机械】PCB产业链 PCB分类.

PCB分类PCB(Printed Circuit Board):印制电路板,顾名思义,是指在绝缘基材上,按预定设计形成点间连接及印制元件的印制板。电子元器件的支撑、互联,都需要使用PCB。

Read More..
【爱游戏(中国)机械】钻孔的特点以及操作方法和步骤

【爱游戏(中国)机械】钻孔的特点以及操作方法和步骤.

一、钻孔的概念与钻头以及钻削特点1.钻孔的概念内孔表面是零件上的主要表面之一,根据零件在机械产品中的作用不同,不同结构的内孔有不同的精度和表面质量要求。按

Read More..
【爱游戏(中国)机械】大深径比深孔加工工艺研究

【爱游戏(中国)机械】大深径比深孔加工工艺研究.

什么叫深孔?深孔是指孔深与孔径比L/d≥5的孔,是机械加工中的一道难题,尤其是大深径比的深孔加工,难点在于刀具细长,刚性差、强度低,易引起刀具偏斜,且散热困难,排

Read More..
【爱游戏(中国)机械】如何在车床上完成只有磨床才能达到的零件加工精度要求

【爱游戏(中国)机械】如何在车床上完成只有磨床才能达到的零件加工精度要求.

通过对高精密钛合金零件图样的仔细研究,确定了加工方案和工艺参数,利用现有的普通车床设备,最终顺利完成了零件的加工,实现了在车床上完成只有磨床才能达到的加工

Read More..