专注高端智能装备一体化服务
认证证书
【爱游戏(中国)机械】说说钣金激光切割技术那些事

【爱游戏(中国)机械】说说钣金激光切割技术那些事.

激光是什么?▼激光是一种受激辐射而得到的加强光其基本特征:强度高,亮度大波长频率确定,单色性好相干性好,相干长度长方向性好,几乎是一束平行光   当激光束照射到

Read More..
【爱游戏(中国)机械】接骨螺钉为何通过走心机加工

【爱游戏(中国)机械】接骨螺钉为何通过走心机加工.

 接骨螺钉的材料分为不锈钢材料和钛合金材料,这两种材料的金属接骨螺钉用于骨科手术时作为骨折内固定用,在医药行业标准中对他们的都有严格的要求,不锈钢硬度不小

Read More..
【爱游戏(中国)机械】呼吸机操作指南:3 步上手无创机械通气

【爱游戏(中国)机械】呼吸机操作指南:3 步上手无创机械通气.

无创机械通气是指通过鼻罩或者面罩连接,利用呼吸机在上呼吸道应用正压以增加肺泡通气,进而给予患者通气支持。相对于有创机械通气,无创机械通气可预防气管插管相关

Read More..
【爱游戏(中国)机械】史上最全检验科信息

【爱游戏(中国)机械】史上最全检验科信息.

检验科简介检验科:是临床医学和基础医学之间的桥梁,包括临床化学、临床微生物学、临床免疫学、血液学、体液学以及输血学等分支学科。工作内容:全项检查、免疫检查

Read More..
【爱游戏(中国)机械】组织免疫荧光应该怎么做?

【爱游戏(中国)机械】组织免疫荧光应该怎么做?.

组织的免疫荧光之所以难做,是因为组织会有自发荧光,会干扰我们的实验,尤其想在组织上做磷酸化的免疫荧光那更是难上加难。这次主要讲组织的免疫荧光。做组织的免疫

Read More..
【爱游戏(中国)机械】免疫组化第三步——切片

【爱游戏(中国)机械】免疫组化第三步——切片.

石蜡切片我们先来说说石蜡切片怎么做。组织包埋进石蜡以后,做好的组织蜡块常温保存即可。但是如果你们实验室冰箱很空,放冰箱也可以。不过呢,蜡块如果放冰箱倒真是

Read More..
【爱游戏(中国)机械】各种组织切片方法的操作和优缺点分析

【爱游戏(中国)机械】各种组织切片方法的操作和优缺点分析.

组织切片伴随着显微镜技术和免疫实验等的发展而得到广泛的应用。本文对其中的冰冻切片、石蜡切片、碳蜡切片、超薄切片、塑料切片等几种常用的实验方法相关操作步

Read More..
【爱游戏(中国)机械】酶标仪的选择、自检和校准

【爱游戏(中国)机械】酶标仪的选择、自检和校准.

一、酶标仪的选择面对类型如此众多的酶标仪,实验室在选择时往往有难以适从的感觉。一般来说,用于酶免疫测定比色的酶标仪可分为普通酶标仪,多功能全自动酶标仪和全

Read More..
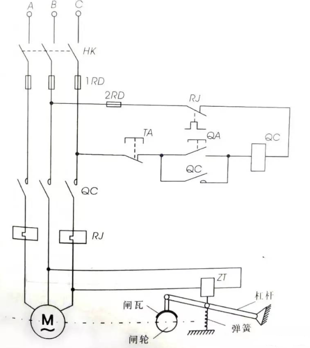
【爱游戏(中国)机械】电磁抱闸制动控制

【爱游戏(中国)机械】电磁抱闸制动控制.

机械制动是利用机械装置使电动机在切断电源后迅速停转。采用比较普通的机械制动设备是电磁抱闸。电磁抱闸主要由两部分组成,制成电磁铁和闸瓦制动器。工作原理当按

Read More..
【爱游戏(中国)机械】安全正确使用烘箱的注意事项

【爱游戏(中国)机械】安全正确使用烘箱的注意事项.

鼓风干燥箱又名“烘箱”,顾名思义,采用电加热方式进行鼓风循环干燥试验,分为鼓风干燥和真空干燥两种,鼓风干燥就是通过循环风机吹出热风,保证箱内温度平衡。干燥箱

Read More..