专注高端智能装备一体化服务
认证证书
【爱游戏(中国)机械】虽然都姓“泵”,注射、输液大不同!

【爱游戏(中国)机械】虽然都姓“泵”,注射、输液大不同!.

兽用注射泵输液泵和注射泵具有相同的目的和用途,都是将药液精确、微量、均匀、持续地泵入体内。输液泵与注射泵的区别输送容量:输液泵一次输送较大的容量(500ml)注

Read More..
【爱游戏(中国)机械】微量注射泵泵速达到多少可以不用续泵液体

【爱游戏(中国)机械】微量注射泵泵速达到多少可以不用续泵液体.

 微量注射泵(简称注射泵)作为一种体积小,操作简单,使用方便的新型仪器,现已在临床工作中广泛使用。它可以让药物更加精确,微量,均匀,持续的进入人体,可以根据病情

Read More..
【爱游戏(中国)机械】输液泵简介

【爱游戏(中国)机械】输液泵简介.

一、简介输液泵通常是机械或电子的控制装置,它通过作用于输液导管达到控制输液速度的目的。常用于需要严格控制输液量和药量的情况,如在应用升压药物,抗心律失常药

Read More..
【爱游戏(中国)机械】钛合金薄壁细长轴加工方法

【爱游戏(中国)机械】钛合金薄壁细长轴加工方法.

针对钛合金材料薄壁细长轴零件加工难的问题,通过改进加工方法,提出此类产品的一种加工方案。1. 零件结构和加工难点分析附图所示为我单位加工的某一零件,材料为T 

Read More..
【爱游戏(中国)机械】用线切割来加工中心通孔,解决细长轴通孔难加工的问题

【爱游戏(中国)机械】用线切割来加工中心通孔,解决细长轴通孔难加工的问题.

本文作者针对钛合金细长轴通孔难加工的问题,独辟蹊径地用线切割来加工中心通孔,取得了满意的效果,值得同行加工类似零件时参考。1零件结构和加工难点分析附图所示

Read More..
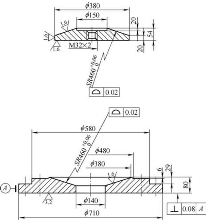
【爱游戏(中国)机械】内外球面的磨削

【爱游戏(中国)机械】内外球面的磨削.

球面和截球面的磨削加工,看似挺复杂,但只要根据球面成形原理,通过计算和选择相应的磨削工艺条件,即可磨好各种球面工件。1. 大直径球面副的磨削方法图1所示为SR46

Read More..
【爱游戏(中国)机械】不锈钢加工难点经验

【爱游戏(中国)机械】不锈钢加工难点经验.

不锈钢材料加工难点主要有以下几个方面:1. 切削力大,切削温度高该类型材料强度大,切削时切向应力大、塑性变形大,因而切削力大。此外材料导热性极差,造成切削温度

Read More..
【爱游戏(中国)机械】车刀的种类、角度及韧磨方法

【爱游戏(中国)机械】车刀的种类、角度及韧磨方法.

车刀是用于车削加工的、具有一个切削部分的刀具。车刀是切削加工中应用最广的刀具之一。车刀的工作部分就是产生和处理切屑的部分,包括刀刃、使切屑断碎或卷拢的结

Read More..
【爱游戏(中国)机械】浅析90°外圆车刀的刃磨工艺

【爱游戏(中国)机械】浅析90°外圆车刀的刃磨工艺.

在金属切削加工中,车工是一个非常重要的工种。一个车工三分靠手艺,七分靠刀具,刀具刃磨质量的好坏直接影响到工件的加工质量,这说明了刀具刃磨在机械加工中是相当

Read More..
【爱游戏(中国)机械】专业解读外圆磨知识

【爱游戏(中国)机械】专业解读外圆磨知识.

引言外圆磨削  主要在外圆磨床上进行,用以磨削轴类工件的外圆柱、外圆锥和轴肩端面。磨削时,工件低速旋转,如果工件同时作纵向往复移动并在纵向移动的每次单行程

Read More..